搜索
汉力达液压金币充值官方微信群液压资料下载
查看: 5483|回复: 6

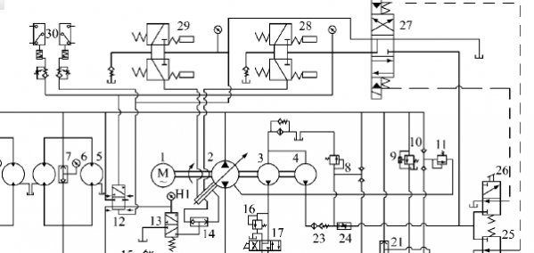
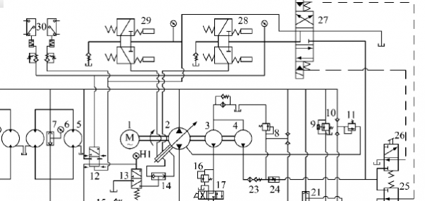
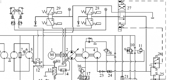
这种三个泵串一起的,去哪里找?

[复制链接]
  • 打卡等级:无名新人
  • 打卡总天数:19
  • 打卡总奖励:58
发表于 2017-5-12 14:13:43 | 显示全部楼层 |阅读模式
一个原动机带动一个主一个齿轮泵和辅助泵怎么实现的?有没有三联泵符合这种要求?

这种三个泵串一起的,去哪里找?

这种三个泵串一起的,去哪里找?
发表于 2017-5-13 02:53:03 | 显示全部楼层
开式变量泵串双联齿轮泵,挺多的哟,你要多大排量的?
回复

使用道具 举报

  • 打卡等级:无名新人
  • 打卡总天数:15
  • 打卡总奖励:39
发表于 2017-5-13 03:48:11 | 显示全部楼层
力士乐样本上 就是串泵 上面有推荐
回复

使用道具 举报

  • 打卡等级:论坛老炮
  • 打卡总天数:970
  • 打卡总奖励:2845
发表于 2017-5-13 07:53:32 | 显示全部楼层
通轴的泵基本上都带辅助法兰串泵的
回复

使用道具 举报

  • 打卡等级:无名新人
  • 打卡总天数:19
  • 打卡总奖励:58
 楼主| 发表于 2017-5-15 06:44:07 | 显示全部楼层
15063703046 发表于 2017-5-13 02:53
开式变量泵串双联齿轮泵,挺多的哟,你要多大排量的?

A4VG180柱塞泵能串联什么排量齿轮泵?
回复

使用道具 举报

发表于 2017-5-16 00:19:17 | 显示全部楼层
a3197536a 发表于 2017-5-15 06:44
A4VG180柱塞泵能串联什么排量齿轮泵?

这个看你的要求吧,系统流量多少,计算下呀!然后再计算输入轴扭矩需求
回复

使用道具 举报

  • 打卡等级:无名新人
  • 打卡总天数:5
  • 打卡总奖励:21
发表于 2017-5-16 02:38:49 | 显示全部楼层
这是闭式系统中常见的呀,一个闭式泵一个补油泵,一个是其它功能用的泵。
回复

使用道具 举报

您需要登录后才可以回帖 登录 | 立即注册

本版积分规则