搜索
汉力达液压金币充值官方微信群液压资料下载
查看: 8651|回复: 9

力士乐M4液压阀 先导油路问题

[复制链接]
  • 打卡等级:无名新人
  • 打卡总天数:15
  • 打卡总奖励:39
发表于 2017-5-13 03:16:25 | 显示全部楼层 |阅读模式
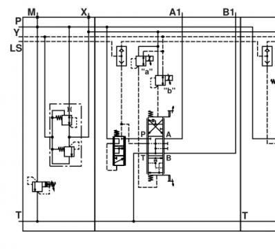
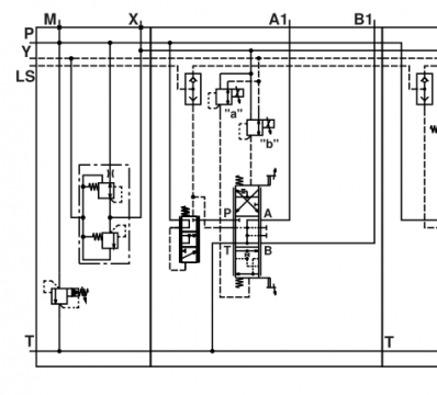
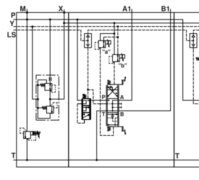
file:///C:/Users/tp/Desktop/M4.pngfile:///C:/Users/tp/Desktop/M4-2.png就M4阀中的 进油连中先导油供油 本来就已经有个减压溢流阀(35bar)了 为什么还要再加一个溢流阀(50bar)啊  就是小的截图那个地方

力士乐M4液压阀 先导油路问题

力士乐M4液压阀 先导油路问题

力士乐M4液压阀 先导油路问题

力士乐M4液压阀 先导油路问题
  • 打卡等级:初来乍到
  • 打卡总天数:38
  • 打卡总奖励:107
发表于 2017-5-13 06:24:34 | 显示全部楼层
出于安全考虑,防止先导压力超过其允许的最大容许压力。
回复

使用道具 举报

  • 打卡等级:无名新人
  • 打卡总天数:15
  • 打卡总奖励:39
 楼主| 发表于 2017-5-14 09:54:40 | 显示全部楼层
chris_wu 发表于 2017-5-13 06:24
出于安全考虑,防止先导压力超过其允许的最大容许压力。

我想问的 是 减压溢流阀 已经设计为35bar 在这个减压回路中 如果压力超过了35 减压溢流阀 就开始工作了 那么这个 设置为50BAR 的溢流阀 就不起作用啊
回复

使用道具 举报

  • 打卡等级:初来乍到
  • 打卡总天数:38
  • 打卡总奖励:107
发表于 2017-5-15 07:15:27 | 显示全部楼层
如果35的坏了呢?
回复

使用道具 举报

  • 打卡等级:无名新人
  • 打卡总天数:15
  • 打卡总奖励:39
 楼主| 发表于 2017-5-16 04:37:42 | 显示全部楼层
chris_wu 发表于 2017-5-15 07:15
如果35的坏了呢?

只有这一个功能吗 双保险 还有没有其他可能了
回复

使用道具 举报

  • 打卡等级:初来乍到
  • 打卡总天数:38
  • 打卡总奖励:107
发表于 2017-5-22 08:53:05 | 显示全部楼层
我知道的也就是个安全的功能了,不知道还有没有别的原因,如果有还请大拿补充!
回复

使用道具 举报

  • 打卡等级:常驻居民
  • 打卡总天数:454
  • 打卡总奖励:1306
发表于 2019-9-26 17:39:52 | 显示全部楼层
这是一个阀吧,三通直动式减压溢流阀MHDRDB04K0-1X/035VLA
回复

使用道具 举报

  • 打卡等级:无名新人
  • 打卡总天数:3
  • 打卡总奖励:17
发表于 2019-10-22 12:59:41 | 显示全部楼层
学习点东西,都不知道怎么办才好了
回复

使用道具 举报

  • 打卡等级:无名新人
  • 打卡总天数:2
  • 打卡总奖励:8
发表于 2019-11-12 10:53:41 | 显示全部楼层
减压阀是给手柄或电磁阀供液用的,主溢流阀是控制整组阀的压力
回复

使用道具 举报

发表于 2020-1-9 17:01:22 | 显示全部楼层
为了安全呗
回复

使用道具 举报

您需要登录后才可以回帖 登录 | 立即注册

本版积分规则