设为首页
收藏本站
所有帖子
关于我们
联系我们
微信群
开启辅助访问
搜索
搜索
本版
用户
门户
Portal
资讯
液压资讯
观点
观点
产品
液压产品
技术
液压技术
合集
导读
Guide
下载
签到
金币
论坛
BBS
登录
立即注册
腾讯QQ
账号
自动登录
找回密码
密码
登录
立即注册
只需一步,快速开始
好友
动态
收藏
分享
帖子
日志
记录
相册
留言板
勋章
任务
道具
设置
退出
液压圈
»
论坛
›
液压元件
›
液压泵马达
›
同一种类型液压马达,泄露油有外接与无外接 ...
负载敏感资料下载
|
液压培训资料下载
|
液压样本下载
|
AMESim资料下载
|
力士乐资料下载
|
挖掘机资料下载
|
标准资料下载
|
多路阀资料下载
返回列表
查看:
4954
|
回复:
0
同一种类型液压马达,泄露油有外接与无外接
[复制链接]
无为12
无为12
当前离线
积分
95
注册时间
2016-1-8
最后登录
1970-1-1
IP卡
狗仔卡
打卡等级:初来乍到
打卡总天数:45
打卡总奖励:147
发表于 2017-5-17 11:14:58
|
显示全部楼层
|
阅读模式
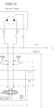
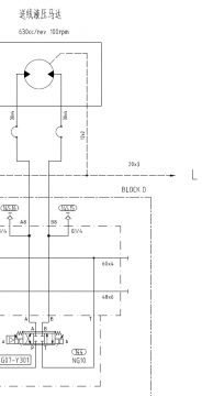
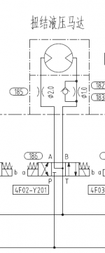
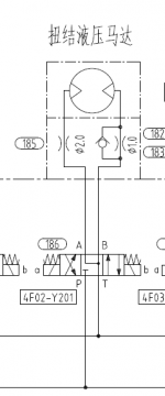
同一种类型液压马达,泄露油有外接与无外接
同一种类型液压马达,泄露油有外接与无外接
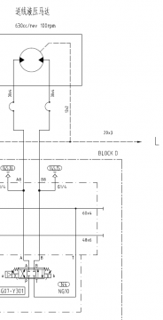
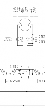
图一,液压
马达
无外接泄露油管,那么泄漏油是在马达内部流回回油管吗?图二有外接泄露油管,这样设计好处?马达分别是丹佛斯 OMS 315 OMV 630
液压马达
相关帖子
.
求助元件选型
.
力士乐A2FM56/63马达模型
.
内曲线液压马达的资料(you产品故障、缺陷等问题需要解.....
.
意大利萨姆液压马达样本资料
.
力士乐A10VEC45样本资料
.
液压马达代号解读求助
.
济南液压泵有限责任公司,生产高压齿轮泵,批发零售代理均可
.
济南液压泵有限责任公司(中国人民解放军第七四二三工厂)
.
齿轮式液压马达常出现的故障原因及排除方法
.
液压马达作为液压系统的执行元件之一,该如何选型呢?
回复
使用道具
举报
提升卡
置顶卡
变色卡
返回列表
高级模式
B
Color
Image
Link
Quote
Code
Smilies
您需要登录后才可以回帖
登录
|
立即注册
本版积分规则
发表回复
回帖后跳转到最后一页
浏览过的版块
供求信息
求职招聘
伺服控制
液压技术
快速回复
返回顶部
返回列表