搜索
汉力达液压金币充值官方微信群液压资料下载
查看: 9389|回复: 9

溢流阀无法建立系统压力

[复制链接]
  • 打卡等级:初来乍到
  • 打卡总天数:46
  • 打卡总奖励:130
发表于 2017-6-2 17:30:19 | 显示全部楼层 |阅读模式
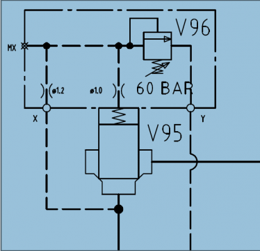
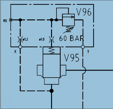
如图溢流阀,该系统每个一周左右就会出现一次系统压力低跳停,重新启动油后稍微调一下V96就OK了,难道纯粹是油品脏物堵塞吗?
  • 打卡等级:初来乍到
  • 打卡总天数:46
  • 打卡总奖励:130
 楼主| 发表于 2017-6-2 17:31:24 | 显示全部楼层
为什么我无法上传截图?????、
回复

使用道具 举报

  • 打卡等级:常驻居民
  • 打卡总天数:549
  • 打卡总奖励:1291
发表于 2017-6-2 18:42:40 | 显示全部楼层
没看明白,换个新阀比较下啊
回复

使用道具 举报

  • 打卡等级:常驻居民
  • 打卡总天数:571
  • 打卡总奖励:1734
发表于 2017-6-2 20:09:46 | 显示全部楼层
是介质污染导致溢流阀失灵。
回复

使用道具 举报

发表于 2017-6-3 11:23:31 来自手机 | 显示全部楼层
溢流阀内的弹簧材质不行,疲劳导至极性差……换个弹簧或同型号其它品牌的阀。
回复

使用道具 举报

  • 打卡等级:初来乍到
  • 打卡总天数:46
  • 打卡总奖励:130
 楼主| 发表于 2017-6-5 14:56:34 | 显示全部楼层
如下图,不好意思,新人第一次发帖,不知道发图
{E27A2E86-9B8C-4BF6-894B-CB0B5BA3D8D9}.png
回复

使用道具 举报

  • 打卡等级:初来乍到
  • 打卡总天数:46
  • 打卡总奖励:130
 楼主| 发表于 2017-6-5 15:55:15 | 显示全部楼层
每次跳停后系统都无法建立压力,调V96往极大和极小压力值反复调几次后,系统压力就好了
回复

使用道具 举报

  • 打卡等级:初来乍到
  • 打卡总天数:46
  • 打卡总奖励:130
 楼主| 发表于 2017-6-8 15:08:57 | 显示全部楼层
其实我一直怀疑是控制油路堵塞,只是不知道那一截?我想下一次找机会把1.2阻尼孔改大到2.0来试试
回复

使用道具 举报

  • 打卡等级:偶尔看看
  • 打卡总天数:169
  • 打卡总奖励:215
发表于 2017-6-23 21:39:02 | 显示全部楼层
PINKY666 发表于 2017-6-8 15:08
其实我一直怀疑是控制油路堵塞,只是不知道那一截?我想下一次找机会把1.2阻尼孔改大到2.0来试试

可以试试,我也觉得是先导油路堵塞问题,很想看看阻尼孔改大后的结果
回复

使用道具 举报

  • 打卡等级:初来乍到
  • 打卡总天数:46
  • 打卡总奖励:130
 楼主| 发表于 2017-9-12 15:39:14 | 显示全部楼层
发现阻尼孔堵头拆不出来,悲剧了
回复

使用道具 举报

您需要登录后才可以回帖 登录 | 立即注册

本版积分规则