搜索
汉力达液压金币充值官方微信群液压资料下载
查看: 7265|回复: 2

力士乐比较阀4WRPEH样本中的压力增益图如何理解??

[复制链接]
发表于 2017-6-26 11:13:46 | 显示全部楼层 |阅读模式
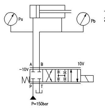
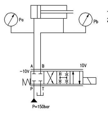
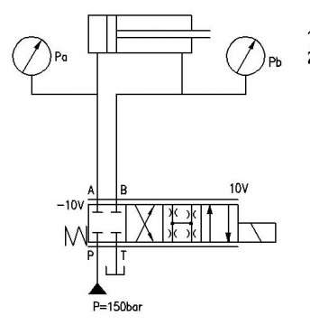
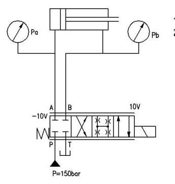
力士乐比较阀4WRPEH样本中的压力增益曲线如何理解??
(这个样本中的压力增益曲线与我们常说的压力增益不是一回事)
1、当给0V信号时,Pa 与 Pb的压差是 0??
2、当给-2V压力信号时,Pb 端的压力比 Pa端高80%?
3、横坐标的单位应该是 伏吗? 还是百分比(如果是4%就太小了)?
4、比例阀结构上,如何能保证在给-2V信号时  Pa 端仍然保持压力??(此时A与T通,Pa应该没有压力)

力士乐比较阀4WRPEH样本中的压力增益图如何理解??

力士乐比较阀4WRPEH样本中的压力增益图如何理解??

力士乐比较阀4WRPEH样本中的压力增益图如何理解??

力士乐比较阀4WRPEH样本中的压力增益图如何理解??

SERVO-VALVE-4WRPEH-10-DIRECT-OPERATED-OBE-AND-FEEDBACK.pdf (1.28 MB, 下载次数: 14, 售价: 5 金钱)


 楼主| 发表于 2017-6-29 13:17:23 | 显示全部楼层
期待高手帮忙啊!!!!
回复

使用道具 举报

  • 打卡等级:无名新人
  • 打卡总天数:12
  • 打卡总奖励:38
发表于 2019-1-31 21:30:50 | 显示全部楼层
横坐标是%啊,应该是-0.2V吧
回复

使用道具 举报

您需要登录后才可以回帖 登录 | 立即注册

本版积分规则