搜索
汉力达液压金币充值官方微信群液压资料下载
查看: 6793|回复: 4

这套系统问题出在哪里,请求指点

[复制链接]
发表于 2017-7-6 08:14:49 | 显示全部楼层 |阅读模式
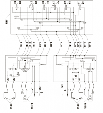
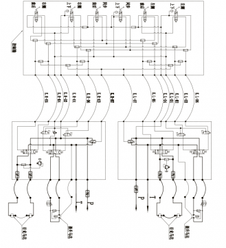
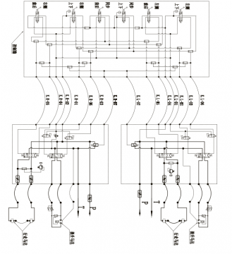
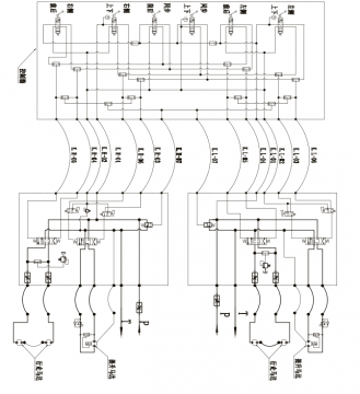
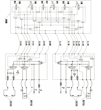
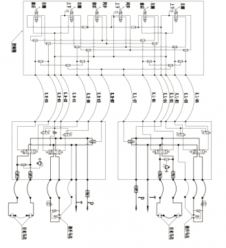
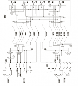
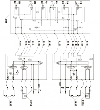
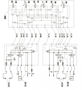
这是100T桁吊的原理图,在调试过程中噪音大,冲击大,系统颤动,动作操作手柄时液压站电流大于200A,而液压泵站正常工作电流小于150A,系统工作压力3000PSI,设计排量120l/min,温升很快。
由于采用的集控式液压站(HPU),液压站安装了3台PARKER柱塞变量泵,设计工作压力3000psi,设计流量每台300l/min,问题不是出在HPU,而是桁吊的控制系统,请各位看看究竟存在什么问题。(HPU和桁吊不是一个厂家的)


这套系统问题出在哪里,请求指点

这套系统问题出在哪里,请求指点

这套系统问题出在哪里,请求指点

这套系统问题出在哪里,请求指点
  • 打卡等级:即来则安
  • 打卡总天数:206
  • 打卡总奖励:631
发表于 2017-7-6 13:06:49 | 显示全部楼层
你的提升马达的压力解除是和马达正常的工作油液混合在一起的,可以考虑分开用单独的一个小泵来解除制动
P口有流量控制,行走马达也有流量控制,可以考虑拿掉P口的那个流量控制
不知道行走马达的转速如何,不了解工况,不过可以考虑添加蓄能器来缓冲急停时的冲击
改变平衡阀的设定值
检查常规的设定,溢流阀是否设定太低,管路通经小,管路布置不合理,冷却系统不够大,
过滤器在哪里?
回复

使用道具 举报

  • 打卡等级:即来则安
  • 打卡总天数:206
  • 打卡总奖励:631
发表于 2017-7-6 15:16:12 | 显示全部楼层
你所有的马达都不需要补油和泄漏口吗?
回复

使用道具 举报

  • 打卡等级:无名新人
  • 打卡总天数:5
  • 打卡总奖励:6
发表于 2017-7-7 08:29:59 | 显示全部楼层
分析原因如下:
1、泵站应该是压力补偿控制的变量泵(系统只有P口,没有LS口,而且电机会出现高负载)
2、系统的P口都设计调速阀,系统还有一个两位两通的泄荷阀,这两个阀组合作用导致即使设备没有负载,液压泵也会有流量输出,且泵的出口压力为PC设定压力。输出的流量全部转化为热量浪费掉。
3、压力补偿控制的泵在控制多负载的时候,通常要求负载压力较均衡且与泵的PC值设定尽量一致,否则高压差会产生较多的功率浪费。我认为你的提升和行走设计压力差别较大。
4、行走马达进回油分别安装了一个调速阀,换成单向调速阀会更好,否则也会增加功率损失。
以上为我的分析结果,欢迎拍砖。。。
回复

使用道具 举报

  • 打卡等级:无名新人
  • 打卡总天数:2
  • 打卡总奖励:6
发表于 2017-7-21 14:21:28 | 显示全部楼层
压力补偿控制的泵在控制多负载的时候,通常要求负载压力较均衡且与泵的PC值设定尽量一致,否则高压差会产生较多的功率浪费。我认为你的提升和行走设计压力差别较大
回复

使用道具 举报

您需要登录后才可以回帖 登录 | 立即注册

本版积分规则