设为首页
收藏本站
所有帖子
关于我们
联系我们
微信群
开启辅助访问
搜索
搜索
本版
用户
门户
Portal
资讯
液压资讯
观点
观点
产品
液压产品
技术
液压技术
合集
导读
Guide
下载
签到
金币
论坛
BBS
登录
立即注册
腾讯QQ
账号
自动登录
找回密码
密码
登录
立即注册
只需一步,快速开始
好友
动态
收藏
分享
帖子
日志
记录
相册
留言板
勋章
任务
道具
设置
退出
液压圈
»
论坛
›
液压系统
›
液压技术
›
求解
负载敏感资料下载
|
液压培训资料下载
|
液压样本下载
|
AMESim资料下载
|
力士乐资料下载
|
挖掘机资料下载
|
标准资料下载
|
多路阀资料下载
返回列表
查看:
4458
|
回复:
6
求解
[复制链接]
zkm
zkm
当前离线
积分
149
注册时间
2016-9-20
最后登录
1970-1-1
IP卡
狗仔卡
打卡等级:偶尔看看
打卡总天数:146
打卡总奖励:450
发表于 2017-7-10 16:38:29
|
显示全部楼层
|
阅读模式
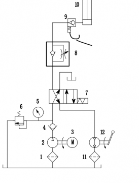
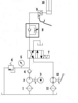
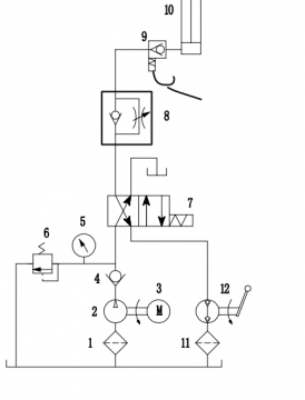
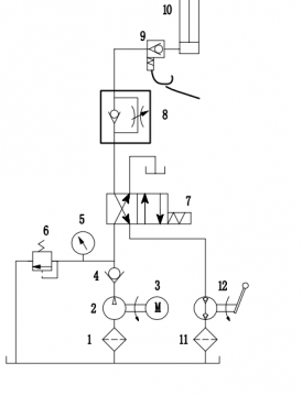
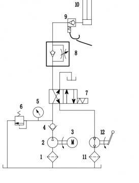
图中12的起什么作用的
求解
回复
使用道具
举报
提升卡
置顶卡
变色卡
2110801044
2110801044
当前离线
积分
481
注册时间
2010-11-18
最后登录
1970-1-1
IP卡
狗仔卡
打卡等级:论坛老炮
打卡总天数:905
打卡总奖励:2078
发表于 2017-7-10 18:54:15
|
显示全部楼层
本帖最后由 2110801044 于 2017-7-10 18:55 编辑
看样子12应该是手动泵,应急用的,在停电时候系统可以正常工作
回复
使用道具
举报
hebutllj
hebutllj
当前离线
积分
119
注册时间
2015-1-8
最后登录
1970-1-1
IP卡
狗仔卡
打卡等级:以坛为家
打卡总天数:810
打卡总奖励:2256
发表于 2017-7-11 08:05:31
|
显示全部楼层
手动泵,应急用的。。。。
回复
使用道具
举报
﹏3、哖后°
﹏3、哖后°
当前离线
积分
712
注册时间
2011-7-19
最后登录
1970-1-1
IP卡
狗仔卡
打卡等级:偶尔看看
打卡总天数:99
打卡总奖励:105
发表于 2017-7-11 10:36:22
|
显示全部楼层
手动应急
回复
使用道具
举报
canmao6304
canmao6304
当前离线
积分
834
注册时间
2016-5-27
最后登录
1970-1-1
IP卡
狗仔卡
打卡等级:常驻居民
打卡总天数:571
打卡总奖励:1734
发表于 2017-7-12 12:32:46
|
显示全部楼层
应该是个手动泵,但画法不规范而已。
回复
使用道具
举报
王工22
王工22
当前离线
积分
21
注册时间
2017-6-16
最后登录
1970-1-1
IP卡
狗仔卡
打卡等级:无名新人
打卡总天数:3
打卡总奖励:11
发表于 2017-7-12 16:02:29
|
显示全部楼层
手动泵的箭头方向应该反了
回复
使用道具
举报
zkm
zkm
当前离线
积分
149
注册时间
2016-9-20
最后登录
1970-1-1
IP卡
狗仔卡
打卡等级:偶尔看看
打卡总天数:146
打卡总奖励:450
楼主
|
发表于 2017-8-11 09:12:06
|
显示全部楼层
这个系统能回油吗?液压缸回程,换向阀左位工作,回油路接手动泵?是不是需要换成一个三位H中位机能的换向阀?
回复
使用道具
举报
返回列表
高级模式
B
Color
Image
Link
Quote
Code
Smilies
您需要登录后才可以回帖
登录
|
立即注册
本版积分规则
发表回复
回帖后跳转到最后一页
浏览过的版块
资料下载
建议区
AMESim
快速回复
返回顶部
返回列表