设为首页
收藏本站
所有帖子
关于我们
联系我们
微信群
开启辅助访问
搜索
搜索
本版
用户
门户
Portal
资讯
液压资讯
观点
观点
产品
液压产品
技术
液压技术
合集
导读
Guide
下载
签到
金币
论坛
BBS
登录
立即注册
腾讯QQ
账号
自动登录
找回密码
密码
登录
立即注册
只需一步,快速开始
好友
动态
收藏
分享
帖子
日志
记录
相册
留言板
勋章
任务
道具
设置
退出
液压圈
»
论坛
›
液压系统
›
液压技术
›
急需 400T以上龙门液压剪 液压系统,来位哥哥帮解决下吧 ...
负载敏感资料下载
|
液压培训资料下载
|
液压样本下载
|
AMESim资料下载
|
力士乐资料下载
|
挖掘机资料下载
|
标准资料下载
|
多路阀资料下载
返回列表
查看:
4639
|
回复:
7
急需 400T以上龙门液压剪 液压系统,来位哥哥帮解决下吧
[复制链接]
cxd3416
cxd3416
当前离线
积分
169
注册时间
2016-8-11
最后登录
1970-1-1
IP卡
狗仔卡
打卡等级:常驻居民
打卡总天数:315
打卡总奖励:834
发表于 2017-7-28 18:46:31
|
显示全部楼层
|
阅读模式
急需 400T以上龙门液压剪
液压系统
,来位哥哥帮解决下吧
回复
使用道具
举报
提升卡
置顶卡
变色卡
canmao6304
canmao6304
当前离线
积分
834
注册时间
2016-5-27
最后登录
1970-1-1
IP卡
狗仔卡
打卡等级:常驻居民
打卡总天数:571
打卡总奖励:1734
发表于 2017-7-28 21:10:15
|
显示全部楼层
请你说的详细一点。
回复
使用道具
举报
游勇
游勇
当前离线
积分
2579
注册时间
2011-7-5
最后登录
1970-1-1
IP卡
狗仔卡
打卡等级:初来乍到
打卡总天数:31
打卡总奖励:75
发表于 2017-7-28 23:57:50
|
显示全部楼层
是大小液压缸的设计吗?速度多快?
回复
使用道具
举报
cxd3416
cxd3416
当前离线
积分
169
注册时间
2016-8-11
最后登录
1970-1-1
IP卡
狗仔卡
打卡等级:常驻居民
打卡总天数:315
打卡总奖励:834
楼主
|
发表于 2017-7-29 10:29:27
|
显示全部楼层
游勇 发表于 2017-7-28 23:57
是大小液压缸的设计吗?速度多快?
对,有压料缸 和剪切缸 的那种,朋友 有 这方面的液压原理图吗,速度 我这边能计算
回复
使用道具
举报
hydr-des
hydr-des
当前离线
积分
10
注册时间
2016-11-5
最后登录
1970-1-1
IP卡
狗仔卡
发表于 2017-7-29 15:16:07
来自手机
|
显示全部楼层
找阀块供应商免费设计啊
回复
使用道具
举报
崴盛液压
崴盛液压
当前离线
积分
35
注册时间
2017-8-8
最后登录
1970-1-1
IP卡
狗仔卡
打卡等级:初来乍到
打卡总天数:34
打卡总奖励:107
发表于 2017-8-8 09:44:21
|
显示全部楼层
整套液压系统我们可以做,13301741711
回复
使用道具
举报
339778028
339778028
当前离线
积分
122
注册时间
2017-7-30
最后登录
1970-1-1
IP卡
狗仔卡
发表于 2017-8-10 16:05:00
|
显示全部楼层
我也做液压动力,号码是球球号
回复
使用道具
举报
游勇
游勇
当前离线
积分
2579
注册时间
2011-7-5
最后登录
1970-1-1
IP卡
狗仔卡
打卡等级:初来乍到
打卡总天数:31
打卡总奖励:75
发表于 2017-8-12 20:39:56
|
显示全部楼层
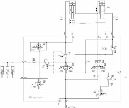
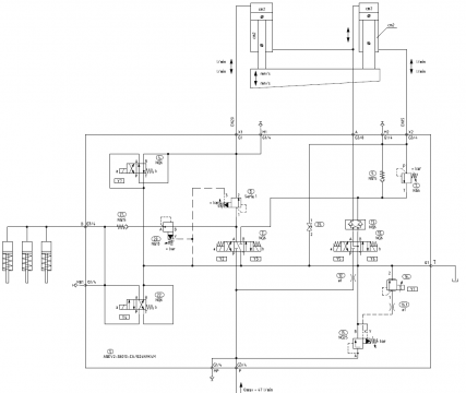
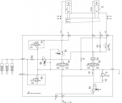
楼主可试用以下回路:
剪床回路
回复
使用道具
举报
返回列表
高级模式
B
Color
Image
Link
Quote
Code
Smilies
您需要登录后才可以回帖
登录
|
立即注册
本版积分规则
发表回复
回帖后跳转到最后一页
浏览过的版块
液压多路阀
快速回复
返回顶部
返回列表