设为首页
收藏本站
所有帖子
关于我们
联系我们
微信群
开启辅助访问
搜索
搜索
本版
用户
门户
Portal
资讯
液压资讯
观点
观点
产品
液压产品
技术
液压技术
合集
导读
Guide
下载
签到
金币
论坛
BBS
登录
立即注册
腾讯QQ
账号
自动登录
找回密码
密码
登录
立即注册
只需一步,快速开始
好友
动态
收藏
分享
帖子
日志
记录
相册
留言板
勋章
任务
道具
设置
退出
液压圈
»
论坛
›
液压系统
›
AMESim
›
AMESim仿真问题
负载敏感资料下载
|
液压培训资料下载
|
液压样本下载
|
AMESim资料下载
|
力士乐资料下载
|
挖掘机资料下载
|
标准资料下载
|
多路阀资料下载
返回列表
查看:
3726
|
回复:
0
AMESim仿真问题
[复制链接]
kk1516732
kk1516732
当前离线
积分
13
注册时间
2016-5-20
最后登录
1970-1-1
IP卡
狗仔卡
发表于 2017-8-2 16:53:58
|
显示全部楼层
|
阅读模式
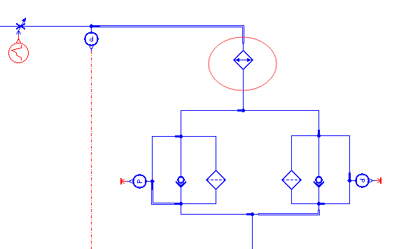
各位大神,我想把图片里面那个冷却器换成水冷,就是用水把液压油的温度降下来,请问模型怎么建,有会的指导一下,不胜感激。另外我用过冷却库里面的模型,但是元件的单位不同,管道一直连不到一起。
AMESim仿真问题
回复
使用道具
举报
提升卡
置顶卡
变色卡
返回列表
高级模式
B
Color
Image
Link
Quote
Code
Smilies
您需要登录后才可以回帖
登录
|
立即注册
本版积分规则
发表回复
回帖后跳转到最后一页
浏览过的版块
液压技术
液压辅件
快速回复
返回顶部
返回列表