搜索
汉力达液压金币充值官方微信群液压资料下载
查看: 5296|回复: 3

请 教

[复制链接]
  • 打卡等级:偶尔看看
  • 打卡总天数:146
  • 打卡总奖励:450
发表于 2017-8-10 16:04:46 | 显示全部楼层 |阅读模式

请 教

请  教
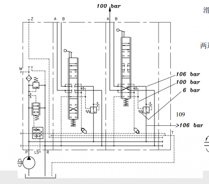
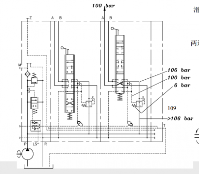
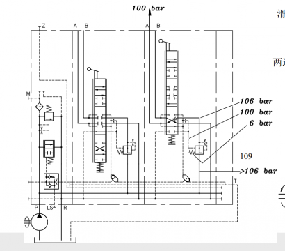
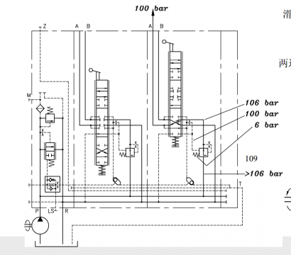
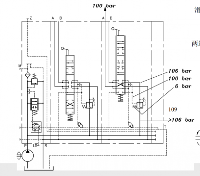
左边阀片没有节流口。如果负载和右边一下,从减压阀出来的压力是100还是106
  • 打卡等级:偶尔看看
  • 打卡总天数:118
  • 打卡总奖励:605
发表于 2017-8-11 10:06:08 | 显示全部楼层
这个减压阀是压力补偿器,接在多路阀(节流阀)进出口,作用是能在负载变化的情况下基本保持节流口两端的压差不变(也就是这个弹簧设定的6bar),你这个图里是预补偿
回复

使用道具 举报

  • 打卡等级:偶尔看看
  • 打卡总天数:146
  • 打卡总奖励:450
 楼主| 发表于 2017-8-11 15:54:33 | 显示全部楼层
诚实可靠小郎君 发表于 2017-8-11 10:06
这个减压阀是压力补偿器,接在多路阀(节流阀)进出口,作用是能在负载变化的情况下基本保持节流口两端的压 ...

左边多路阀没有节流阀,是因为在中位。不用画出来吗
回复

使用道具 举报

  • 打卡等级:偶尔看看
  • 打卡总天数:118
  • 打卡总奖励:605
发表于 2017-8-15 08:52:24 | 显示全部楼层
zkm 发表于 2017-8-11 15:54
左边多路阀没有节流阀,是因为在中位。不用画出来吗

多路阀其实就是比例阀 除了换向也有节流作用
回复

使用道具 举报

您需要登录后才可以回帖 登录 | 立即注册

本版积分规则