搜索
汉力达液压金币充值官方微信群液压资料下载
查看: 5363|回复: 9

求教

[复制链接]
发表于 2017-8-24 19:13:44 来自手机 | 显示全部楼层 |阅读模式
有没有前辈这样使用两个油缸,上端串联起来,只用每个油缸下端来控制升降。也就一个油缸升,另一个油缸下。自动状态下。
IMG_20170824_191210.png
mmexport1503573156406.jpg
 楼主| 发表于 2017-8-25 01:01:03 来自手机 | 显示全部楼层
FZJX 发表于 2017-8-24 19:13
有没有前辈这样使用两个油缸,上端串联起来,只用每个油缸下端来控制升降。也就一个油缸升,另一个油缸下。 ...

怎么就没有大神回复下呢,自动状态下会不会上端的油会自己丢失。
回复

使用道具 举报

  • 打卡等级:无名新人
  • 打卡总天数:15
  • 打卡总奖励:46
发表于 2017-8-25 08:55:43 | 显示全部楼层
7、8不得电的话不会跑,最多就是有点点内泄。如果自动状态下,左升右降,需要先保证左边缩回,右边伸出处,不然你有杆腔油会憋在里面出不来。
为什么要用四组电磁阀,两组不就够了嘛。
回复

使用道具 举报

  • 打卡等级:即来则安
  • 打卡总天数:227
  • 打卡总奖励:698
发表于 2017-8-25 09:40:05 | 显示全部楼层
排除泄露,不会的
回复

使用道具 举报

发表于 2017-8-25 09:55:11 | 显示全部楼层
不知道你这样用有什么用途,相当于滑轮的两端,为什么不用马达呢?四个油缸完全一样且不泄漏的情况下理论上可以,但速度要慢
回复

使用道具 举报

  • 打卡等级:即来则安
  • 打卡总天数:227
  • 打卡总奖励:698
发表于 2017-8-25 09:55:57 | 显示全部楼层
但有可能,一个钢到头,另一个钢没到头
回复

使用道具 举报

  • 打卡等级:偶尔看看
  • 打卡总天数:66
  • 打卡总奖励:158
发表于 2017-8-25 10:04:34 | 显示全部楼层
本帖最后由 zzfjct 于 2017-8-25 16:22 编辑

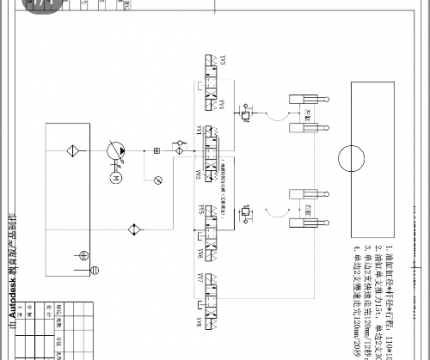
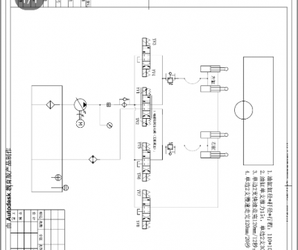
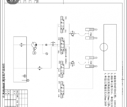
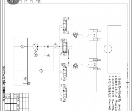
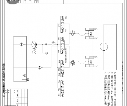
曾经设计过无杆腔高压保压状态下的强制同步交叉升降二通插装阀系统。
回复

使用道具 举报

 楼主| 发表于 2017-8-25 13:10:45 来自手机 | 显示全部楼层
zzfjct 发表于 2017-8-25 10:04
曾经设计过无杆腔高压保压状态下的交叉升降二通插装阀系统。

能给个示意图参考下吗?
回复

使用道具 举报

 楼主| 发表于 2017-8-25 13:12:17 来自手机 | 显示全部楼层
液压行走 发表于 2017-8-25 09:55
不知道你这样用有什么用途,相当于滑轮的两端,为什么不用马达呢?四个油缸完全一样且不泄漏的情况下理论上 ...

12秒走完单程120mm。
回复

使用道具 举报

 楼主| 发表于 2017-8-25 13:18:48 来自手机 | 显示全部楼层
FZJX 发表于 2017-8-24 19:13
有没有前辈这样使用两个油缸,上端串联起来,只用每个油缸下端来控制升降。也就一个油缸升,另一个油缸下。 ...

现场走起来会抖动的很历害,升降不平衡。做一个平台左右摆动。右边没完全顶起,左边自己比右边回落快,如果左边备压调大,又会把整个平台抬起。
回复

使用道具 举报

您需要登录后才可以回帖 登录 | 立即注册

本版积分规则