搜索
汉力达液压金币充值官方微信群液压资料下载
查看: 7557|回复: 9

叉车空载前倾抖动-平衡阀

[复制链接]
  • 打卡等级:论坛老炮
  • 打卡总天数:1156
  • 打卡总奖励:2716
发表于 2017-8-31 13:24:04 | 显示全部楼层 |阅读模式
各位大神好!
小弟有两个问题要请教下大家,在叉车多路阀油缸之间装了平衡阀
1、当货叉在一定高度,16吨叉车在门架空载前倾的时候,抖动的很厉害。多路阀是can总线控制的比例阀,流量100LPM,平衡阀室90LPM,先导比例3:1,溢流压力设定210bar。
后倾不会,重载不会,并且空载前倾抖动也只是出现在油温65度左右的时候。

2、有一台车的故障是:空载快速前倾和停止的时候,会抖动一下。如果直接操作多路阀的阀芯,则无此现象。如果对电控手柄进行500毫秒的输出延迟,也不会抖动。如果把平衡阀拆掉,不会抖动,但是重载会失控

  • 打卡等级:论坛老炮
  • 打卡总天数:1156
  • 打卡总奖励:2716
 楼主| 发表于 2017-8-31 13:26:26 | 显示全部楼层
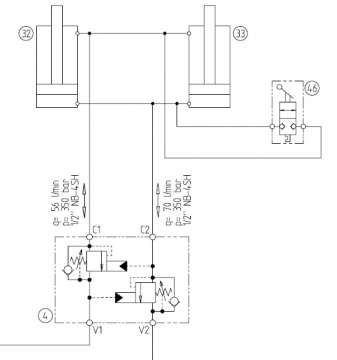
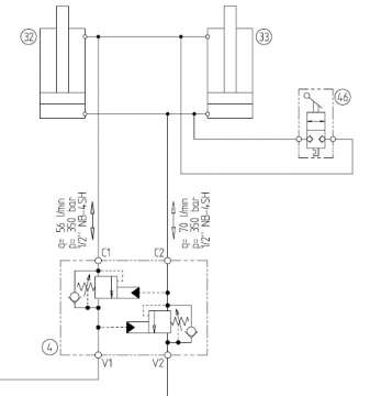
双向平衡阀连接如图,都只是空载前倾的时候有故障,重载不会

回复

使用道具 举报

发表于 2017-9-1 08:44:57 | 显示全部楼层
你换一个弹簧腔通大气型的平衡阀问题就解决了
回复

使用道具 举报

发表于 2017-9-1 10:41:29 | 显示全部楼层
可能是空载速度太快,油缸的压力频繁失压,造成平衡阀频繁开启,所以抖动
回复

使用道具 举报

  • 打卡等级:论坛老炮
  • 打卡总天数:1156
  • 打卡总奖励:2716
 楼主| 发表于 2017-9-18 08:02:26 | 显示全部楼层
wjw 发表于 2017-9-1 08:44
你换一个弹簧腔通大气型的平衡阀问题就解决了

感谢回复,有联系伊顿新的这种阀芯,等待测试
回复

使用道具 举报

  • 打卡等级:论坛老炮
  • 打卡总天数:1156
  • 打卡总奖励:2716
 楼主| 发表于 2017-9-18 08:04:52 | 显示全部楼层
液压店小二 发表于 2017-9-1 10:41
可能是空载速度太快,油缸的压力频繁失压,造成平衡阀频繁开启,所以抖动

好的,谢谢,下台故障车进行测试,暂时解决是在平衡阀与油缸有杆枪之间加装了一个节流片,这不是长久的方案,造成空载压力也上去了
回复

使用道具 举报

  • 打卡等级:无名新人
  • 打卡总天数:12
  • 打卡总奖励:40
发表于 2017-9-28 10:11:49 | 显示全部楼层
路过学习{:7_283:}
回复

使用道具 举报

发表于 2017-12-13 13:32:01 | 显示全部楼层
freehua 发表于 2017-9-18 08:04
好的,谢谢,下台故障车进行测试,暂时解决是在平衡阀与油缸有杆枪之间加装了一个节流片,这不是长久的方 ...

现在问题解决了吗
回复

使用道具 举报

  • 打卡等级:无名新人
  • 打卡总天数:2
  • 打卡总奖励:5
发表于 2017-12-14 11:00:50 | 显示全部楼层
重载情况系统压力升高,平衡阀完全开启,畅通无阻,不会出现液压冲击现象。控制油路上加阻尼,或者溢流压力调低一些看看。
回复

使用道具 举报

  • 打卡等级:常驻居民
  • 打卡总天数:336
  • 打卡总奖励:944
发表于 2023-4-4 06:26:51 来自手机 | 显示全部楼层
原因找到了吗?是不是控制比的问题?
回复

使用道具 举报

您需要登录后才可以回帖 登录 | 立即注册

本版积分规则