搜索
汉力达液压金币充值官方微信群液压资料下载
查看: 6086|回复: 8

[综合讨论] 请大神看一下阿特拉斯锚杆钻机的部分液压图,分析一下,特别是标记的地方。不胜感激

[复制链接]
  • 打卡等级:无名新人
  • 打卡总天数:4
  • 打卡总奖励:11
发表于 2017-9-6 11:54:56 | 显示全部楼层 |阅读模式
本帖最后由 杨新举_e1Vfw 于 2017-9-6 18:34 编辑

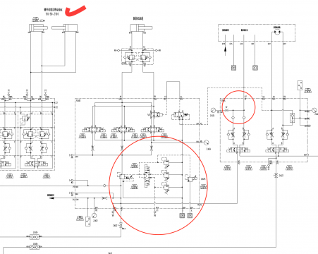
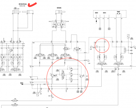
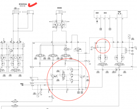
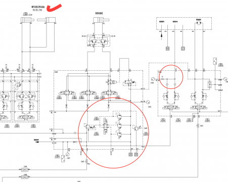
请大神看一下阿特拉斯锚杆钻机的部分液压图,分析一下,特别是标记的地方。不胜感激

请大神看一下阿特拉斯锚杆钻机的部分液压图,分析一下,特别是标记的地方。不胜感激

请大神看一下阿特拉斯锚杆钻机的部分液压图,分析一下,特别是标记的地方。不胜感激
  • 打卡等级:无名新人
  • 打卡总天数:15
  • 打卡总奖励:46
发表于 2017-9-6 17:01:27 | 显示全部楼层
还要付15金钱才能看啊
回复

使用道具 举报

发表于 2017-9-6 17:09:51 | 显示全部楼层
大哥?付费求助?
回复

使用道具 举报

  • 打卡等级:无名新人
  • 打卡总天数:4
  • 打卡总奖励:11
 楼主| 发表于 2017-9-6 18:17:56 | 显示全部楼层
回复

使用道具 举报

  • 打卡等级:无名新人
  • 打卡总天数:4
  • 打卡总奖励:11
 楼主| 发表于 2017-9-6 18:18:46 | 显示全部楼层
不好意思,第一次发帖,悬赏变成付费了
回复

使用道具 举报

  • 打卡等级:即来则安
  • 打卡总天数:239
  • 打卡总奖励:549
发表于 2017-9-7 14:24:45 | 显示全部楼层
我知道,加我吧,986200024
回复

使用道具 举报

  • 打卡等级:偶尔看看
  • 打卡总天数:142
  • 打卡总奖励:609
发表于 2017-9-11 14:41:11 | 显示全部楼层
大红圈圈是一个三级调压的减压阀,能够通过中间那个换向阀来实现三个压力,两个手动调节阀和一个用比例阀调节的。那个和比例阀并联的是一个安全阀。小红圈圈的那两个单向阀是用来实现两个速度的。
回复

使用道具 举报

  • 打卡等级:无名新人
  • 打卡总天数:4
  • 打卡总奖励:11
 楼主| 发表于 2017-9-15 10:52:14 | 显示全部楼层
一叶一如来 发表于 2017-9-11 14:41
大红圈圈是一个三级调压的减压阀,能够通过中间那个换向阀来实现三个压力,两个手动调节阀和一个用比例阀调 ...

回复

使用道具 举报

  • 打卡等级:偶尔看看
  • 打卡总天数:66
  • 打卡总奖励:189
发表于 2017-10-17 19:37:32 | 显示全部楼层

三级调解的减压阀有点不太懂啊
回复

使用道具 举报

您需要登录后才可以回帖 登录 | 立即注册

本版积分规则