搜索
汉力达液压金币充值官方微信群液压资料下载
查看: 17204|回复: 18

[图纸] 最近画的液压泵站和插装块图纸

  [复制链接]
  • 打卡等级:偶尔看看
  • 打卡总天数:144
  • 打卡总奖励:368
发表于 2017-9-6 21:51:53 | 显示全部楼层 |阅读模式
本帖最后由 cyxz 于 2017-9-6 22:08 编辑

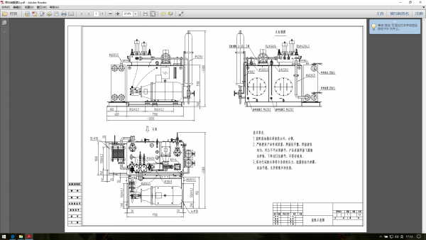
最近画了一个站,请大家指点

泵站装配图.pdf

488.24 KB, 下载次数: 169

售价: 5 金钱  [记录]

最近画了一个泵站

  • 打卡等级:偶尔看看
  • 打卡总天数:144
  • 打卡总奖励:368
 楼主| 发表于 2017-9-6 22:01:20 | 显示全部楼层
再发一个,也是旁置式的

泵站装配图2.pdf

461.66 KB, 下载次数: 51

售价: 5 金钱  [记录]

回复

使用道具 举报

  • 打卡等级:偶尔看看
  • 打卡总天数:144
  • 打卡总奖励:368
 楼主| 发表于 2017-9-6 22:08:01 | 显示全部楼层
再发一个插装块图纸

插装块.pdf

213.67 KB, 下载次数: 61

售价: 5 金钱  [记录]

回复

使用道具 举报

  • 打卡等级:偶尔看看
  • 打卡总天数:66
  • 打卡总奖励:158
发表于 2017-9-7 15:26:55 | 显示全部楼层
要求指点还要扣金币,那这是奇货可居呀!
回复

使用道具 举报

  • 打卡等级:无名新人
  • 打卡总天数:15
  • 打卡总奖励:46
发表于 2017-9-7 16:33:21 | 显示全部楼层
要求指点还要扣金币,那这是奇货可居呀!
回复

使用道具 举报

  • 打卡等级:伴坛终老
  • 打卡总天数:3829
  • 打卡总奖励:12442
发表于 2017-9-7 20:43:43 | 显示全部楼层
阀块和泵站不是一张图呀。
回复

使用道具 举报

  • 打卡等级:伴坛终老
  • 打卡总天数:3829
  • 打卡总奖励:12442
发表于 2017-9-7 20:48:51 | 显示全部楼层
本帖最后由 liuxdliuxd 于 2017-9-7 20:54 编辑

请把阀块的液压原理图发上来对照一下。
无标题.png
回复

使用道具 举报

  • 打卡等级:无名新人
  • 打卡总天数:2
  • 打卡总奖励:6
发表于 2017-9-8 06:16:44 | 显示全部楼层
存在盗取金币的嫌疑
回复

使用道具 举报

  • 打卡等级:伴坛终老
  • 打卡总天数:3829
  • 打卡总奖励:12442
发表于 2017-9-8 17:14:48 | 显示全部楼层
液压原理图还没发?
无标题-1.png
无标题-2.png
回复

使用道具 举报

  • 打卡等级:偶尔看看
  • 打卡总天数:141
  • 打卡总奖励:399
发表于 2017-10-30 21:10:11 | 显示全部楼层
东西挺不错,就是太贵点啊
回复

使用道具 举报

您需要登录后才可以回帖 登录 | 立即注册

本版积分规则