设为首页
收藏本站
所有帖子
关于我们
联系我们
微信群
开启辅助访问
搜索
搜索
本版
用户
门户
Portal
资讯
液压资讯
观点
观点
产品
液压产品
技术
液压技术
合集
导读
Guide
下载
签到
金币
论坛
BBS
登录
立即注册
腾讯QQ
账号
自动登录
找回密码
密码
登录
立即注册
只需一步,快速开始
我的
日志
记录
收藏
勋章
任务
道具
动态
设置
退出
液压圈
»
论坛
›
液压元件
›
液压多路阀
›
M7液压阀中位机能区别
负载敏感资料下载
|
液压培训资料下载
|
液压样本下载
|
AMESim资料下载
|
力士乐资料下载
|
挖掘机资料下载
|
标准资料下载
|
多路阀资料下载
返回列表
查看:
4768
|
回复:
1
M7液压阀中位机能区别
[复制链接]
永远年轻
永远年轻
当前离线
积分
27
注册时间
2015-8-4
最后登录
1970-1-1
IP卡
狗仔卡
打卡等级:无名新人
打卡总天数:1
打卡总奖励:5
发表于 2017-9-23 11:44:50
|
显示全部楼层
|
阅读模式
力士乐
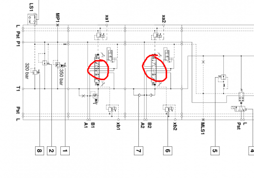
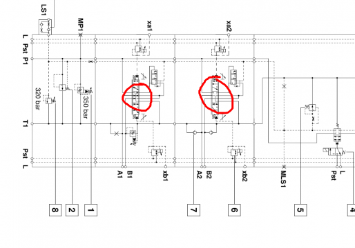
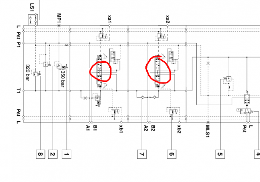
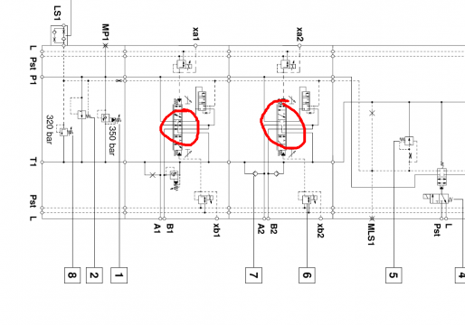
M7-25液压阀,中位机能一样的情况下,中位时,两个实际是不一样的,它们的区别是P'、Pc、T是否相通,这两种的根本区别是什么,应用中如何选择呢。
M7液压阀中位机能区别
M7液压阀中位机能区别
M7液压阀中位机能区别
M7液压阀中位机能区别
M7液压阀中位机能区别
回复
使用道具
举报
提升卡
置顶卡
变色卡
永远年轻
永远年轻
当前离线
积分
27
注册时间
2015-8-4
最后登录
1970-1-1
IP卡
狗仔卡
打卡等级:无名新人
打卡总天数:1
打卡总奖励:5
楼主
|
发表于 2017-9-23 11:45:51
|
显示全部楼层
有比较明白的大神吗???
回复
使用道具
举报
返回列表
高级模式
B
Color
Image
Link
Quote
Code
Smilies
您需要登录后才可以回帖
登录
|
立即注册
本版积分规则
发表回复
回帖后跳转到最后一页
浏览过的版块
AMESim
液压技术
资料下载
液压泵马达
伺服控制
快速回复
返回顶部
返回列表