搜索
汉力达液压金币充值官方微信群液压资料下载
查看: 7304|回复: 8

力士乐M7液压阀中位讨论

[复制链接]
  • 打卡等级:无名新人
  • 打卡总天数:3
  • 打卡总奖励:5
发表于 2017-9-25 09:37:59 | 显示全部楼层 |阅读模式
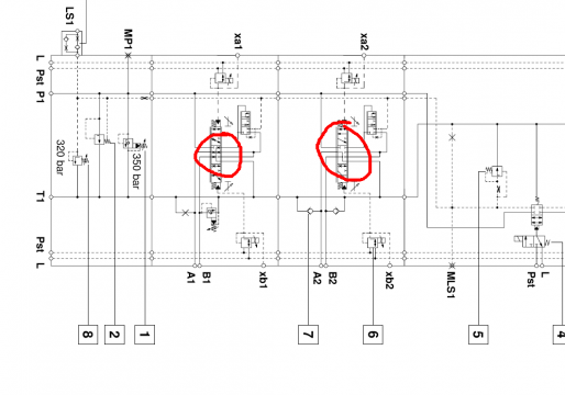
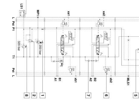
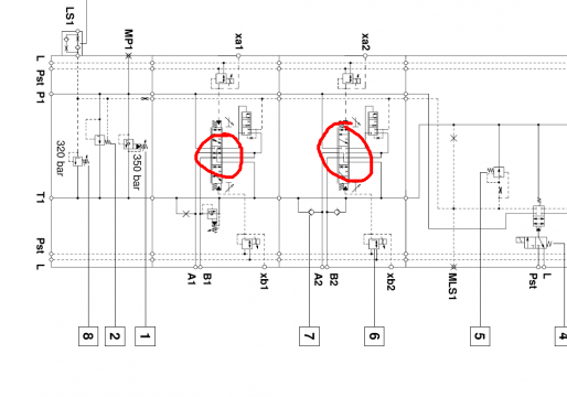
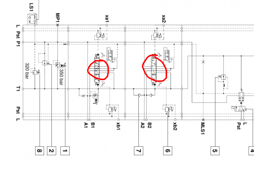
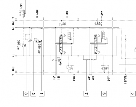
力士乐M7样本阀芯中位机能同样是O型阀芯,为什么有的进油口P、Pc、T相通,有的不通呢,我们使用的时候如何选择呢?到底有什么本质区别呢??


补充内容 (2017-9-26 08:13):
上面的P应该是P'

力士乐M7液压阀中位讨论

力士乐M7液压阀中位讨论

阀芯中位剖视2

阀芯中位剖视2

力士乐M7液压阀中位讨论

力士乐M7液压阀中位讨论

样本资料

样本资料

力士乐M7液压阀中位讨论

力士乐M7液压阀中位讨论
  • 打卡等级:无名新人
  • 打卡总天数:5
  • 打卡总奖励:6
发表于 2017-9-25 14:19:19 | 显示全部楼层
一定要仔细地看样本,M7阀没有任何一个阀芯中位时P口和其它油口相通,Pc、T相通是有可能的,具体选择需要结合具体的工况来确定。
回复

使用道具 举报

  • 打卡等级:偶尔看看
  • 打卡总天数:94
  • 打卡总奖励:272
发表于 2017-9-25 14:23:37 | 显示全部楼层
Pc口是干嘛用的 多个阀并联时的 过度口吗
回复

使用道具 举报

  • 打卡等级:无名新人
  • 打卡总天数:3
  • 打卡总奖励:5
 楼主| 发表于 2017-9-26 08:14:49 | 显示全部楼层
zhanghaibowin 发表于 2017-9-25 14:19
一定要仔细地看样本,M7阀没有任何一个阀芯中位时P口和其它油口相通,Pc、T相通是有可能的,具体选择需要结 ...

中位时,应该是P‘、Pc、T相通
回复

使用道具 举报

  • 打卡等级:无名新人
  • 打卡总天数:3
  • 打卡总奖励:5
 楼主| 发表于 2017-9-26 08:18:54 | 显示全部楼层
fdpump 发表于 2017-9-25 14:23
Pc口是干嘛用的 多个阀并联时的 过度口吗

Pc之后,阀工作的时候去工作油口
回复

使用道具 举报

  • 打卡等级:无名新人
  • 打卡总天数:5
  • 打卡总奖励:6
发表于 2017-9-26 09:40:01 | 显示全部楼层
stf00001 发表于 2017-9-26 08:14
中位时,应该是P‘、Pc、T相通

中位时,P‘,Pc,T口通与不通不重要,只是关系到压力补偿器的进出口是否有泄油功能,关键你要看A、B口是否在中位时和T口连通,这个才是决定中位机能的关键因素
回复

使用道具 举报

  • 打卡等级:无名新人
  • 打卡总天数:3
  • 打卡总奖励:5
 楼主| 发表于 2017-9-28 16:27:46 | 显示全部楼层
zhanghaibowin 发表于 2017-9-26 09:40
中位时,P‘,Pc,T口通与不通不重要,只是关系到压力补偿器的进出口是否有泄油功能,关键你要看A、B口是 ...

阀中位机能选择都知道的,无非就那几种,现在讨论的是压力补偿器为什么有的有泄油,有的没有呢??
回复

使用道具 举报

  • 打卡等级:初来乍到
  • 打卡总天数:44
  • 打卡总奖励:323
发表于 2017-10-3 23:01:10 | 显示全部楼层
左右位没区别,中位有点差异,但本质并无区别,那么对负载来说,无非就是过度的“软”与“硬”。就此推理,下图左阀带阻尼是缓冲的用意,负载惯量较大;而右阀反应快,则惯量较小。两者都是浮动接法,左阀带阻尼浮动,右阀完全浮动。原则上左可以取代右,反过来不行,或者说不好。而且我在想,开始设计时,中位可能并没有那些细微的差别,而是后来试验和实践不逐步形成的。至于泄不泄油,应该结合上述去考虑。
回复

使用道具 举报

  • 打卡等级:无名新人
  • 打卡总天数:3
  • 打卡总奖励:5
 楼主| 发表于 2017-10-8 17:27:00 | 显示全部楼层
cqzyouxiang 发表于 2017-10-3 23:01
左右位没区别,中位有点差异,但本质并无区别,那么对负载来说,无非就是过度的“软”与“硬”。就此推理, ...

分析的很好,仔细研究下

回复

使用道具 举报

您需要登录后才可以回帖 登录 | 立即注册

本版积分规则