搜索
汉力达液压金币充值官方微信群液压资料下载
查看: 7085|回复: 10

新手请教原理图!

[复制链接]
发表于 2017-9-26 10:55:48 | 显示全部楼层 |阅读模式
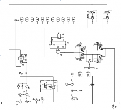
求教各位大大,这幅原理图的各个器件分别是什么?还有是什么原理。麻烦给讲解下 谢谢

新手请教原理图!

新手请教原理图!
  • 打卡等级:无名新人
  • 打卡总天数:15
  • 打卡总奖励:46
发表于 2017-9-27 11:09:37 | 显示全部楼层
你这图 好几个二通插装阀,泵-阀-马达,就这么一套啊,又不复杂
回复

使用道具 举报

 楼主| 发表于 2017-9-28 08:25:54 | 显示全部楼层
renga 发表于 2017-9-27 11:09
你这图 好几个二通插装阀,泵-阀-马达,就这么一套啊,又不复杂

不好意思,我是英语专业的。这个确实不懂,望不吝指教,谢谢{:9_221:}
回复

使用道具 举报

  • 打卡等级:伴坛终老
  • 打卡总天数:2537
  • 打卡总奖励:6369
发表于 2017-9-28 09:29:27 | 显示全部楼层
5363657 发表于 2017-9-28 08:25
不好意思,我是英语专业的。这个确实不懂,望不吝指教,谢谢

这个跨度有点大,步子太大
回复

使用道具 举报

 楼主| 发表于 2017-9-28 10:16:39 | 显示全部楼层
卖女孩的火柴 发表于 2017-9-28 09:29
这个跨度有点大,步子太大

多学点总是没错的  {:9_222:}
回复

使用道具 举报

  • 打卡等级:伴坛终老
  • 打卡总天数:2537
  • 打卡总奖励:6369
发表于 2017-9-28 11:08:10 | 显示全部楼层
5363657 发表于 2017-9-28 10:16
多学点总是没错的

没错是没错,主要是你要干什么?
回复

使用道具 举报

 楼主| 发表于 2017-9-28 11:27:30 | 显示全部楼层
卖女孩的火柴 发表于 2017-9-28 11:08
没错是没错,主要是你要干什么?

做一个牵拉的场地。这是液压系统  看不懂
回复

使用道具 举报

发表于 2017-9-29 16:12:18 | 显示全部楼层
马达扭矩很大啊
回复

使用道具 举报

  • 打卡等级:无名新人
  • 打卡总天数:1
  • 打卡总奖励:1
发表于 2017-10-4 17:19:20 | 显示全部楼层
这么多蓄能器干什么?原理图是哪里来的,已经成熟的产品?
回复

使用道具 举报

  • 打卡等级:无名新人
  • 打卡总天数:1
  • 打卡总奖励:3
发表于 2017-11-1 19:04:06 | 显示全部楼层
,,,,,,,,,,,,,,,,,,,,,
回复

使用道具 举报

您需要登录后才可以回帖 登录 | 立即注册

本版积分规则