搜索
金币充值液压资料下载官方微信群
查看: 4878|回复: 3

各位老师,帮忙看一下该系统DR泵可不可代替DFR1泵

[复制链接]
发表于 2017-10-7 23:57:25 来自手机 | 显示全部楼层 |阅读模式
本帖最后由 ykgxy 于 2017-10-8 08:01 编辑

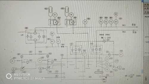
各位老师好,我是非液压专业人士,有些问题想请教一下你,我们使用的液压系统(如下图)是控制高炉鼓风机静叶调节用伺服马达的,之前使用的是力士乐的A10VSO45DFR1/31R柱塞,可不可以用A10VSO45DR/31R泵代替?两泵安装尺寸是一样的,我们替换了一下,摸索的调节油泵至我们使用的12.5mpa,在调节静叶时,压力有较大波动,上下能够偏差3兆帕!我查阅了我们资料,该系统泵说明书上写的使用DR泵,但是现场使用泵标牌写的是DFR1泵!我查看了其他类似机组(使用都是调静叶),有用DR泵的,有用DFR1泵的!
主要问题:1、该系统能否用DR泵替换DFR1泵?2、DR泵和DFR1泵分别怎样调节?
IMG_20171007_162748.jpg
  • 打卡等级:偶尔看看
  • 打卡总天数:129
  • 打卡总奖励:397
发表于 2017-10-10 15:31:58 | 显示全部楼层
加我QQ3029408151聊
回复

使用道具 举报

  • 打卡等级:以坛为家
  • 打卡总天数:776
  • 打卡总奖励:3041
发表于 2017-10-10 21:09:25 | 显示全部楼层
中国市场上DFR1泵比DR泵价格低,渠道多,也许制造厂就是把DFR1用做了DR。主要看实物泵上FR阀上的X口有没有接管?不过从图上看,就是DR功能……
回复

使用道具 举报

发表于 2017-10-10 22:18:49 | 显示全部楼层
DFR有DR的功能,但是,DFR泵需要一个LS输入信号,这个信号一般从多路阀引出,如果换DR泵,LS口需要处理。同时,换DR后系统的能效会降低,负载敏感多路阀就没有负载敏感的功能了
回复

使用道具 举报

您需要登录后才可以回帖 登录 | 立即注册

本版积分规则