搜索
汉力达液压金币充值官方微信群液压资料下载
查看: 5009|回复: 2

求教两种插装阀的工作原理

[复制链接]
  • 打卡等级:即来则安
  • 打卡总天数:224
  • 打卡总奖励:619
发表于 2017-10-16 23:28:34 | 显示全部楼层 |阅读模式
如下面两图中的阀,有几个问题:
(1)图1中为什么盖板上有进气孔和排气孔?作用是什么?而图2中的阀为什么没有?


(2)由图1-1和2-1中看出两个阀的机能符号,为什么图1中的阀的先导级B口能够控制主阀芯的位移,而图2中的则不能?这两个阀的工作原理区别是什么?


恳请各位前辈指点,谢谢!


图1

图1

图1-1 符号

图1-1 符号

图1-2先导级局部放大

图1-2先导级局部放大

求教两种插装阀的工作原理

求教两种插装阀的工作原理

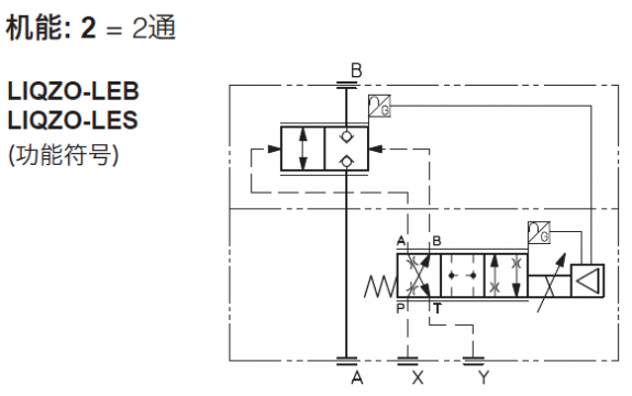
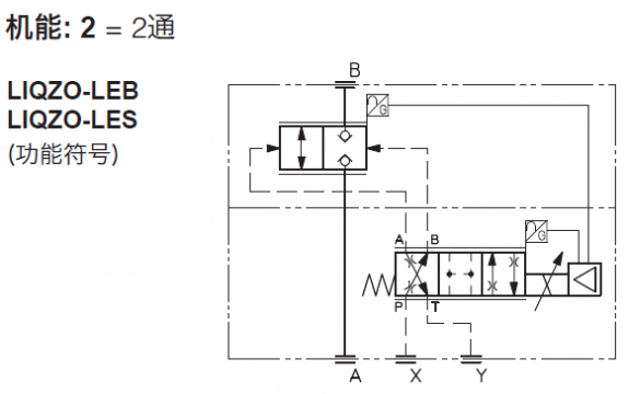
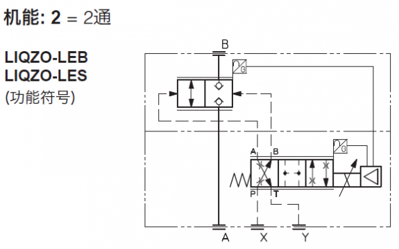
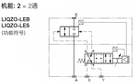
图2-1 符号

图2-1 符号

图2-2 先导级局部放大图

图2-2 先导级局部放大图
  • 打卡等级:以坛为家
  • 打卡总天数:835
  • 打卡总奖励:2513
发表于 2017-10-17 22:06:31 | 显示全部楼层
请问这是哪个公司的阀件啊?
回复

使用道具 举报

  • 打卡等级:即来则安
  • 打卡总天数:224
  • 打卡总奖励:619
 楼主| 发表于 2017-10-18 14:03:10 | 显示全部楼层
fubq116 发表于 2017-10-17 22:06
请问这是哪个公司的阀件啊?

山东泰丰的 插装比例节流阀
回复

使用道具 举报

您需要登录后才可以回帖 登录 | 立即注册

本版积分规则