搜索
汉力达液压金币充值官方微信群液压资料下载
查看: 9360|回复: 10

有知道哪里有卖标准阻尼孔的吗?

[复制链接]
发表于 2017-10-29 09:39:25 | 显示全部楼层 |阅读模式

有知道哪里有卖标准阻尼孔的吗?

有知道哪里有卖标准阻尼孔的吗?

  • 打卡等级:论坛老炮
  • 打卡总天数:1042
  • 打卡总奖励:2949
发表于 2017-10-29 19:56:33 | 显示全部楼层
这个基本都是标注螺钉,自己找个台钻钻孔,国外bucher 液压,是理论上的薄刃型的节流螺钉,专门设计并加工的,没用标准螺钉改制
回复

使用道具 举报

  • 打卡等级:无名新人
  • 打卡总天数:1
  • 打卡总奖励:1
发表于 2017-10-29 21:14:36 | 显示全部楼层
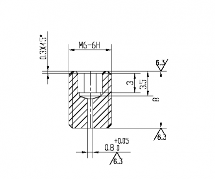
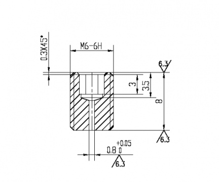
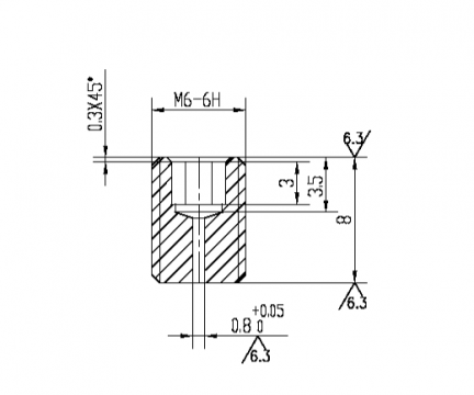
这个东西不值钱,一般公司不在样本上展示节流塞,我在丹佛斯的厚样本上见过,如果公司有加工能力,出个图纸自己加工就行,建议图纸节流孔部分别太长,加工成短孔(图中成长孔了 )
回复

使用道具 举报

  • 打卡等级:即来则安
  • 打卡总天数:203
  • 打卡总奖励:674
发表于 2017-10-29 22:04:31 | 显示全部楼层
qinnan982 发表于 2017-10-29 21:14
这个东西不值钱,一般公司不在样本上展示节流塞,我在丹佛斯的厚样本上见过,如果公司有加工能力,出个图纸 ...

阻尼孔不就是应该细长么?难道用短粗?
回复

使用道具 举报

  • 打卡等级:论坛老炮
  • 打卡总天数:1227
  • 打卡总奖励:4214
发表于 2017-10-30 06:26:26 | 显示全部楼层
3楼正解!  4楼阻尼孔本就细小,那么长加工打孔不易。
回复

使用道具 举报

  • 打卡等级:初来乍到
  • 打卡总天数:34
  • 打卡总奖励:110
发表于 2017-10-30 11:35:56 | 显示全部楼层
先设计好材料及尺寸,找人加工。
回复

使用道具 举报

  • 打卡等级:论坛老炮
  • 打卡总天数:914
  • 打卡总奖励:1990
发表于 2017-10-30 14:05:48 | 显示全部楼层
阻尼塞很好加工的,我前一段时间就自己加工过
回复

使用道具 举报

  • 打卡等级:无名新人
  • 打卡总天数:6
  • 打卡总奖励:17
发表于 2017-10-30 14:26:39 | 显示全部楼层
宁波市横溪元兴机械配件厂
回复

使用道具 举报

  • 打卡等级:无名新人
  • 打卡总天数:6
  • 打卡总奖励:17
发表于 2017-10-30 14:28:09 | 显示全部楼层
http://www.yuanxingjx.com/qtgldzcp/%E5%AE%81%E6%B3%A2%E5%85%83%E5%85%B4%E5%AE%9A%E5%88%B6%E9%98%BB%E5%B0%BC.html
回复

使用道具 举报

  • 打卡等级:伴坛终老
  • 打卡总天数:2122
  • 打卡总奖励:4398
发表于 2017-11-1 08:55:25 | 显示全部楼层
用M6的紧定螺钉钻0.8的孔就行了。
回复

使用道具 举报

您需要登录后才可以回帖 登录 | 立即注册

本版积分规则