搜索
金币充值液压资料下载官方微信群
查看: 4717|回复: 0

请问建一个带先导的比例调速阀如何实现?

[复制链接]
发表于 2017-11-2 19:01:08 | 显示全部楼层 |阅读模式
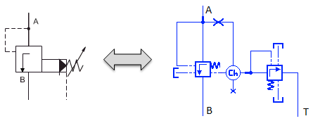
各位前辈,小弟学习一阵子AMESim建模,请问在对整体液压系统分析时,遇到一个稍微复杂一点的阀门怎么建模呢?比如下图这个阀门,只有这些数据的情况下,HCD是否能建出,如果不用HCD建模的话,能否用HYD的阀拼装呢,像帮助文件中那样?小弟只是想测试一个液压系统是否有设计方面的错误,能否达到动作目的,并且如果可能的话优化系统。
各位前辈如果遇到这种情况请赐教小弟,谢谢各位。

请问建一个带先导的比例调速阀如何实现?

请问建一个带先导的比例调速阀如何实现?

请问建一个带先导的比例调速阀如何实现?

请问建一个带先导的比例调速阀如何实现?



您需要登录后才可以回帖 登录 | 立即注册

本版积分规则