设为首页
收藏本站
所有帖子
关于我们
联系我们
微信群
开启辅助访问
搜索
搜索
本版
用户
门户
Portal
资讯
液压资讯
观点
观点
产品
液压产品
技术
液压技术
合集
导读
Guide
下载
签到
金币
论坛
BBS
登录
立即注册
腾讯QQ
账号
自动登录
找回密码
密码
登录
立即注册
只需一步,快速开始
好友
动态
收藏
分享
帖子
日志
记录
相册
留言板
勋章
任务
道具
设置
退出
液压圈
»
论坛
›
液压元件
›
液压多路阀
›
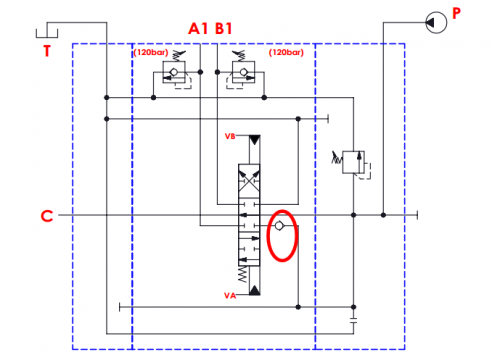
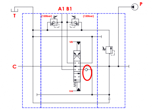
求大神,多路阀里的单向阀(红圈内)作用是什么?? ...
负载敏感资料下载
|
液压培训资料下载
|
液压样本下载
|
AMESim资料下载
|
力士乐资料下载
|
挖掘机资料下载
|
标准资料下载
|
多路阀资料下载
返回列表
查看:
5256
|
回复:
4
求大神,多路阀里的单向阀(红圈内)作用是什么??
[复制链接]
wd634588254
wd634588254
当前离线
积分
71
注册时间
2016-5-3
最后登录
1970-1-1
IP卡
狗仔卡
打卡等级:即来则安
打卡总天数:197
打卡总奖励:557
发表于 2017-11-8 11:20:34
|
显示全部楼层
|
阅读模式
file:///C:\Users\lanya-4\AppData\Roaming\Tencent\Users\634588254\QQ\WinTemp\RichOle\@LM5EG`%QQT42@6LUQS3K`S.png
多路阀
回复
使用道具
举报
提升卡
置顶卡
变色卡
wjw
wjw
当前离线
积分
72
注册时间
2016-2-19
最后登录
1970-1-1
IP卡
狗仔卡
发表于 2017-11-9 08:52:03
|
显示全部楼层
样本的解释为负载保持阀,作用就是当重物在上升的过程中发动机或者液压泵突然停止动作,防止油液从P口回流导致危险的。
回复
使用道具
举报
zzfjct
zzfjct
当前离线
积分
1365
注册时间
2013-7-28
最后登录
1970-1-1
IP卡
狗仔卡
打卡等级:偶尔看看
打卡总天数:73
打卡总奖励:165
发表于 2017-11-9 12:55:30
|
显示全部楼层
有同时动作的多执行器系统中后执行器工作压力小于前执行器时前执行器不会失压。
回复
使用道具
举报
anqingty
anqingty
当前离线
积分
40
注册时间
2014-9-24
最后登录
1970-1-1
IP卡
狗仔卡
打卡等级:偶尔看看
打卡总天数:154
打卡总奖励:398
发表于 2017-11-22 20:55:15
|
显示全部楼层
负载保持的,换向初期防止负载往回走。
回复
使用道具
举报
wxl10218
wxl10218
当前离线
积分
38
注册时间
2011-1-16
最后登录
1970-1-1
IP卡
狗仔卡
打卡等级:无名新人
打卡总天数:2
打卡总奖励:3
发表于 2017-11-22 21:16:33
|
显示全部楼层
三位六通阀使用旁通来建立起来压力,在阀芯刚开始打开时,旁通口比较大,建立不起压力,但是P口的与工作油口已经想通,如果没有单向阀,压力油会从工作油口流到P口,工作装置会出现掉臂之类的了
回复
使用道具
举报
返回列表
高级模式
B
Color
Image
Link
Quote
Code
Smilies
您需要登录后才可以回帖
登录
|
立即注册
本版积分规则
发表回复
回帖后跳转到最后一页
浏览过的版块
资料下载
供求信息
液压电磁阀
液压油缸
工程机械
快速回复
返回顶部
返回列表