搜索
汉力达液压金币充值官方微信群液压资料下载
查看: 7942|回复: 10

请问有哪个厂家生产两位六通电磁阀的

[复制链接]
  • 打卡等级:以坛为家
  • 打卡总天数:856
  • 打卡总奖励:2088
发表于 2017-11-15 15:17:20 | 显示全部楼层 |阅读模式
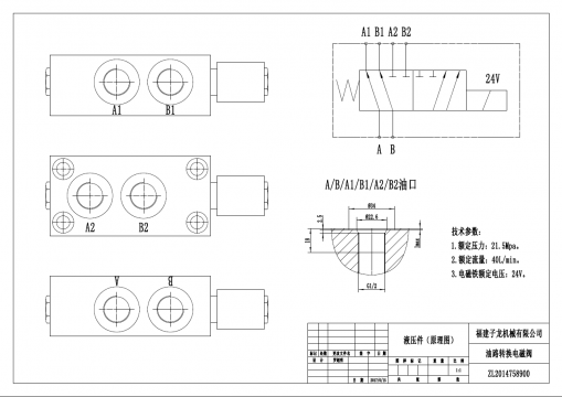
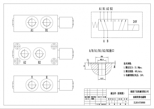
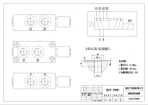
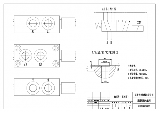
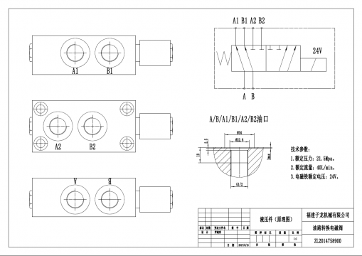
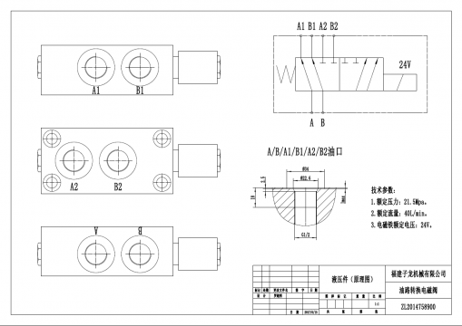
RT  请问有哪个厂家生产下面这种两位六通电磁阀的

请问有哪个厂家生产两位六通电磁阀的

请问有哪个厂家生产两位六通电磁阀的


  • 打卡等级:以坛为家
  • 打卡总天数:776
  • 打卡总奖励:3041
发表于 2017-11-15 22:23:04 | 显示全部楼层
从螺纹插装阀里去找,如Hydraforce的产品:

回复

使用道具 举报

  • 打卡等级:以坛为家
  • 打卡总天数:856
  • 打卡总奖励:2088
 楼主| 发表于 2017-11-16 08:09:14 | 显示全部楼层
x199 发表于 2017-11-15 22:23
从螺纹插装阀里去找,如Hydraforce的产品:

我想知道国内有哪些厂家有做
回复

使用道具 举报

发表于 2017-11-16 16:50:28 | 显示全部楼层
空灵心境的Key 发表于 2017-11-16 08:09
我想知道国内有哪些厂家有做

北京华德液压可以提供此类产品,如有疑问可咨询技术部门010-69082994
回复

使用道具 举报

  • 打卡等级:以坛为家
  • 打卡总天数:776
  • 打卡总奖励:3041
发表于 2017-11-16 21:23:02 | 显示全部楼层
空灵心境的Key 发表于 2017-11-16 08:09
我想知道国内有哪些厂家有做

Hydraforce的工厂好像就在常州
回复

使用道具 举报

  • 打卡等级:无名新人
  • 打卡总天数:3
  • 打卡总奖励:5
发表于 2017-11-16 22:04:07 | 显示全部楼层
做这个的太多了,最大流量能到100多升
回复

使用道具 举报

  • 打卡等级:以坛为家
  • 打卡总天数:856
  • 打卡总奖励:2088
 楼主| 发表于 2017-11-17 09:05:59 | 显示全部楼层
海nnd 发表于 2017-11-16 16:50
北京华德液压可以提供此类产品,如有疑问可咨询技术部门010-69082994

问过了  没有   可以定做
回复

使用道具 举报

  • 打卡等级:以坛为家
  • 打卡总天数:856
  • 打卡总奖励:2088
 楼主| 发表于 2017-11-17 09:06:41 | 显示全部楼层
stf00001 发表于 2017-11-16 22:04
做这个的太多了,最大流量能到100多升

问了很多厂家都没有   
回复

使用道具 举报

  • 打卡等级:以坛为家
  • 打卡总天数:764
  • 打卡总奖励:2260
发表于 2017-11-17 15:37:35 | 显示全部楼层
oil—control,sun,海德福斯都有,为什么要选择国产,国产的价格也没优势。
回复

使用道具 举报

  • 打卡等级:以坛为家
  • 打卡总天数:856
  • 打卡总奖励:2088
 楼主| 发表于 2017-11-18 08:11:31 | 显示全部楼层
ihydraulics 发表于 2017-11-17 15:37
oil—control,sun,海德福斯都有,为什么要选择国产,国产的价格也没优势。

之前用的LC的价格太贵而且调货周期长
回复

使用道具 举报

您需要登录后才可以回帖 登录 | 立即注册

本版积分规则