搜索
金币充值液压资料下载官方微信群
查看: 5100|回复: 2

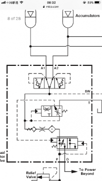
请教大神全液压制动系统双回路充液阀的内部结构图

[复制链接]
发表于 2017-11-25 10:47:09 | 显示全部楼层 |阅读模式

请教大神全液压制动系统双回路充液阀的内部结构图

请教大神全液压制动系统双回路充液阀的内部结构图
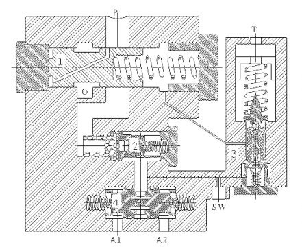
有没有大神能解释一下控制阀3的工作原理,实在是看不懂啊
  • 打卡等级:无名新人
  • 打卡总天数:1
  • 打卡总奖励:1
发表于 2017-12-5 08:33:51 来自手机 | 显示全部楼层
Roger_CVp1P 发表于 2017-11-25 10:47
有没有大神能解释一下控制阀3的工作原理,实在是看不懂啊

看看这个应该和你的差不多
B057E1B9-73D8-48FB-8446-6D085B39A12C.png
回复

使用道具 举报

您需要登录后才可以回帖 登录 | 立即注册

本版积分规则