搜索
汉力达液压金币充值官方微信群液压资料下载
查看: 8035|回复: 4

力士乐三通流量阀工作原理问题

[复制链接]
  • 打卡等级:即来则安
  • 打卡总天数:224
  • 打卡总奖励:619
发表于 2017-12-3 21:28:08 | 显示全部楼层 |阅读模式
本帖最后由 LeBlanccc 于 2017-12-3 21:45 编辑

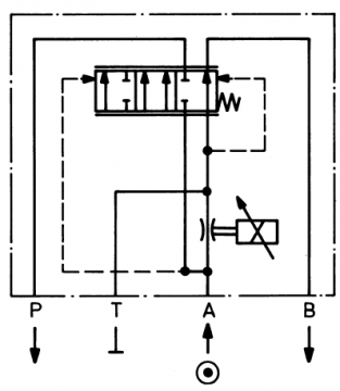
图为力士乐某三通流量阀,在分析这个阀的工作原理时产生了疑问,我的分析如下:
(1)节流阀芯的受力问题。从样本中看,在不给信号时,节流阀阀芯应该受到3个力:
1.节流阀阀芯左端弹簧腔弹簧力,2.液压油对弹簧腔中阀芯左端的力(液压油从阀芯钻孔进入),3.A口节流阀阀芯右端面受到的压力。
这三个力使节流阀阀芯趋于关闭,也就是说,磁铁力要克服这三个力才能打开节流阀阀口,但是从原理图中看,为何即没有虚线表示液压力或者把弹簧画出来呢?

(2)A口→P口通油问题。书上说,补偿阀芯在最开始时由于右腔弹簧力作用,靠在最左端。我的分析是,假设电磁铁一直不通电(节流阀阀口不打开),
1.当A口压力小于补偿阀芯右端弹簧腔压力的话,此时整个阀都不通油
2.当A口压力大于补偿阀芯右端弹簧腔压力的话,补偿阀芯右移,此时A口→P口通油

(3)当节流阀口开启时,这个压力补偿阀芯是怎么运动的?
我的分析是:
如果A口压力小于补偿阀芯右腔弹簧力,那么这个补偿阀芯根本就不会向右移动,补偿阀芯仍然紧靠最左端
如果A口压力大于补偿阀芯右腔弹簧力,那么这个补偿阀芯在节流阀口没开启之前就向右移动了,当阀口开启后,补偿阀芯右端不仅有弹簧力还有节流阀口节流后的压力,如果此时A口压力小于补偿阀芯右腔压力,那么补偿阀芯会向左移动,也不会向右移动啊。
而书上所说的阀芯两端产生压差向右移动,实在想不明白。
请各位前辈指教了,我的分析到底出错在哪?谢谢!



力士乐三通比例阀

力士乐三通比例阀

原理图

原理图

书上原理解释

书上原理解释

评分

参与人数 1金钱 +5 收起 理由
液压哥 + 5 给力

查看全部评分

  • 打卡等级:论坛老炮
  • 打卡总天数:1203
  • 打卡总奖励:3276
发表于 2017-12-4 11:51:39 | 显示全部楼层
1、画法问题,弹簧只是复位,节流阀的标准一般都不画弹簧,节流阀两端的液压力是平衡的。
2、一般情况,压力是由负载决定的,所以不存在你说的推不动补偿阀弹簧的情况。
回复

使用道具 举报

  • 打卡等级:即来则安
  • 打卡总天数:224
  • 打卡总奖励:619
 楼主| 发表于 2017-12-4 14:42:59 | 显示全部楼层
液压哥 发表于 2017-12-4 11:51
1、画法问题,弹簧只是复位,节流阀的标准一般都不画弹簧,节流阀两端的液压力是平衡的。
2、一般情况,压 ...

谢谢您的回复,您说的第一点我明白了,但是关于第二点还是比较困惑,
第一,如果节流阀口不打开,那么补偿阀芯就不移动吗?假设A口压力够高的话,那么阀芯会向右移动,然后多余的液流从P口溢掉吧?可是从书上的解释看,似乎节流阀阀口打开后,补偿阀芯才移动的;
第二,关于书上所说的压差问题,这个压差到底是怎么形成的呢?补偿阀芯左端的受力就是A口的压力,而当节流阀打开后,补偿阀芯右端弹簧腔的压力应该是增大的呀(原有弹簧力+节流阀阀口后压力),此时补偿阀芯应向左移动,而不是右,可是这与书上的说法冲突。
回复

使用道具 举报

  • 打卡等级:论坛老炮
  • 打卡总天数:1203
  • 打卡总奖励:3276
发表于 2017-12-9 09:44:44 | 显示全部楼层
第一,你分析的对,书上分析的有错误。
第二,压差是有由节流阀节流口两端压差形成的,入口压力减去出口压力等于弹簧力,也就是节流口两端压差相等。
回复

使用道具 举报

您需要登录后才可以回帖 登录 | 立即注册

本版积分规则