搜索
汉力达液压金币充值官方微信群液压资料下载
查看: 5806|回复: 4

[挖掘机] 哪位朋友有斗山150轮挖的液压系统资料

[复制链接]
  • 打卡等级:初来乍到
  • 打卡总天数:31
  • 打卡总奖励:80
发表于 2018-6-8 05:46:22 | 显示全部楼层 |阅读模式
哪位朋友有斗山150轮挖的液压系统资料,谢谢提供下
  • 打卡等级:初来乍到
  • 打卡总天数:52
  • 打卡总奖励:74
发表于 2022-7-15 14:20:35 | 显示全部楼层
和60或170区别不大。论坛上有原理图
回复

使用道具 举报

  • 打卡等级:偶尔看看
  • 打卡总天数:167
  • 打卡总奖励:213
发表于 2024-5-9 08:00:23 | 显示全部楼层
附件仅供参考,斗山13吨轮挖

13T斗山轮挖液压原理图.pdf

88.8 KB, 下载次数: 65

回复

使用道具 举报

  • 打卡等级:即来则安
  • 打卡总天数:268
  • 打卡总奖励:409
发表于 2025-1-18 21:45:31 | 显示全部楼层
1432599621 发表于 2024-5-9 08:00
附件仅供参考,斗山13吨轮挖

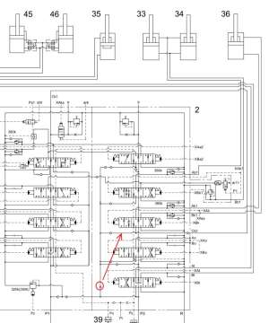
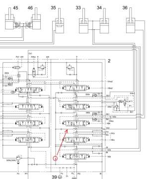
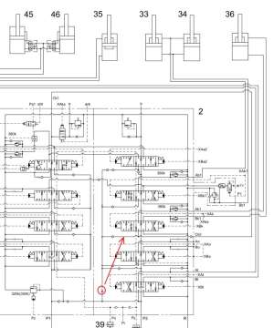
你好,此原理图动臂与铲斗做复合动作时,无法满足动臂优先,是否应该按照下图指示,将节流阀位置更改至箭头处?
1.jpg
回复

使用道具 举报

  • 打卡等级:无名新人
  • 打卡总天数:3
  • 打卡总奖励:3
发表于 2025-3-11 18:45:06 | 显示全部楼层
qianfa 发表于 2025-1-18 21:45
你好,此原理图动臂与铲斗做复合动作时,无法满足动臂优先,是否应该按照下图指示,将节流阀位置更改至箭 ...

你说的是动臂+铲斗复合动作,动臂不动吧?如果是这样你应该在铲斗旁通油路节流。
回复

使用道具 举报

您需要登录后才可以回帖 登录 | 立即注册

本版积分规则