设为首页
收藏本站
所有帖子
关于我们
联系我们
微信群
开启辅助访问
搜索
搜索
本版
用户
门户
Portal
资讯
液压资讯
观点
观点
产品
液压产品
技术
液压技术
合集
导读
Guide
下载
签到
金币
论坛
BBS
登录
立即注册
腾讯QQ
账号
自动登录
找回密码
密码
登录
立即注册
只需一步,快速开始
好友
动态
收藏
分享
帖子
日志
记录
相册
留言板
勋章
任务
道具
设置
退出
液压圈
»
论坛
›
液压元件
›
液压辅件
›
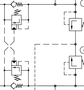
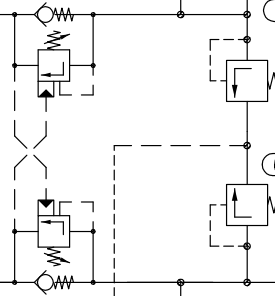
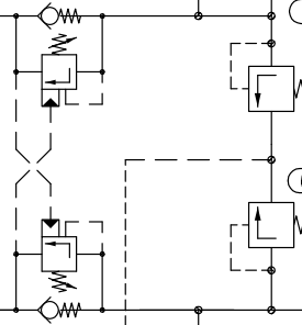
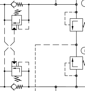
四个阀芯的平衡阀
负载敏感资料下载
|
液压培训资料下载
|
液压样本下载
|
AMESim资料下载
|
力士乐资料下载
|
挖掘机资料下载
|
标准资料下载
|
多路阀资料下载
1
2
3
/ 3 页
返回列表
楼主:
账号密码
四个阀芯的平衡阀
[复制链接]
zgayy0915
zgayy0915
当前离线
积分
382
注册时间
2022-9-15
最后登录
1970-1-1
IP卡
狗仔卡
打卡等级:常驻居民
打卡总天数:476
打卡总奖励:771
发表于 2023-8-5 06:07:34
|
显示全部楼层
俯仰油缸用的阀块,两个溢流阀,两个平衡阀
回复
使用道具
举报
morpheus21
morpheus21
当前离线
积分
84
注册时间
2013-3-6
最后登录
1970-1-1
IP卡
狗仔卡
打卡等级:偶尔看看
打卡总天数:141
打卡总奖励:399
发表于 2023-11-17 18:26:32
|
显示全部楼层
对照原理图看下就知道了
回复
使用道具
举报
517892440
517892440
当前离线
积分
122
注册时间
2019-7-18
最后登录
1970-1-1
IP卡
狗仔卡
打卡等级:偶尔看看
打卡总天数:131
打卡总奖励:189
发表于 2024-3-15 10:53:14
|
显示全部楼层
这是掘进机回转油缸上用的
回复
使用道具
举报
yehuai2012
yehuai2012
当前离线
积分
255
注册时间
2012-8-31
最后登录
1970-1-1
IP卡
狗仔卡
打卡等级:偶尔看看
打卡总天数:122
打卡总奖励:208
发表于 2024-3-17 11:10:00
|
显示全部楼层
回转缓冲阀吧,两个平衡阀,两个缓冲阀。
回复
使用道具
举报
1
2
3
/ 3 页
返回列表
高级模式
B
Color
Image
Link
Quote
Code
Smilies
您需要登录后才可以回帖
登录
|
立即注册
本版积分规则
发表回复
回帖后跳转到最后一页
浏览过的版块
AMESim
液压技术
快速回复
返回顶部
返回列表