搜索
汉力达液压金币充值官方微信群液压资料下载
查看: 1345|回复: 4

寻找布赫CINDY负载控制阀的三维模型

[复制链接]
发表于 2023-4-3 10:24:19 | 显示全部楼层 |阅读模式
本科毕业设计需要做这个阀,希望能够提供相关的三维资料供学习参考
  • 打卡等级:无名新人
  • 打卡总天数:2
  • 打卡总奖励:2
发表于 2023-4-4 08:36:23 | 显示全部楼层
没有具体型号吗?BUCHER的阀,在官网上都有下载的
回复

使用道具 举报

 楼主| 发表于 2023-4-11 09:15:32 | 显示全部楼层
zimuliner 发表于 2023-4-4 08:36
没有具体型号吗?BUCHER的阀,在官网上都有下载的

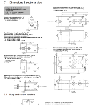
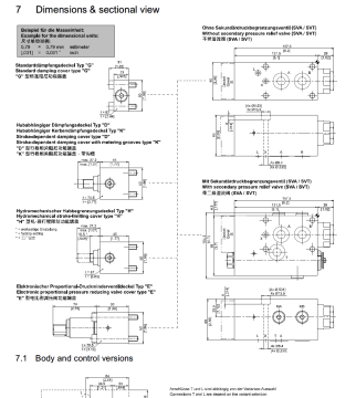
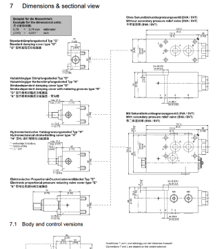
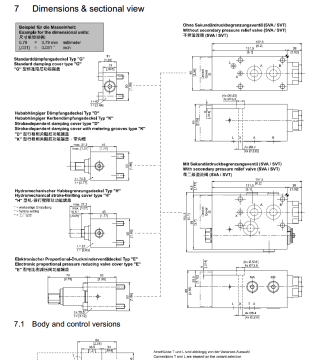
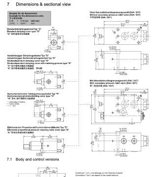
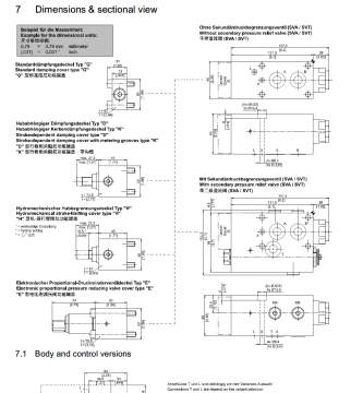
官网没有看到三维的,只有样本手册,想找一个清晰一点的三维图
回复

使用道具 举报

  • 打卡等级:常驻居民
  • 打卡总天数:473
  • 打卡总奖励:798
发表于 2023-4-20 23:03:32 | 显示全部楼层
照着样本尺寸画个就行了,走个管子不干涉就行
屏幕截图 2023-04-20 230118.png
回复

使用道具 举报

 楼主| 发表于 2024-3-3 17:59:30 | 显示全部楼层
0472 发表于 2023-4-20 23:03
照着样本尺寸画个就行了,走个管子不干涉就行

这个只有外边,没有里边的呀
回复

使用道具 举报

您需要登录后才可以回帖 登录 | 立即注册

本版积分规则