搜索
汉力达液压金币充值官方微信群液压资料下载
查看: 2141|回复: 10

BVE平衡阀

[复制链接]
  • 打卡等级:即来则安
  • 打卡总天数:201
  • 打卡总奖励:668
发表于 2023-4-18 09:40:04 | 显示全部楼层 |阅读模式
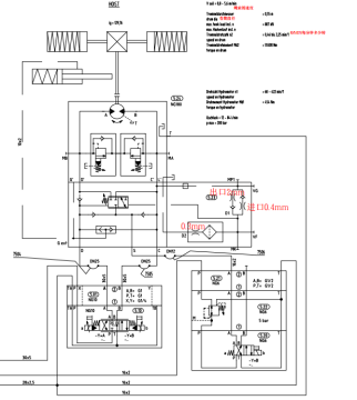
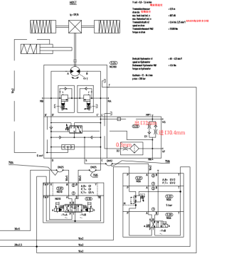
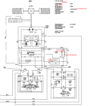
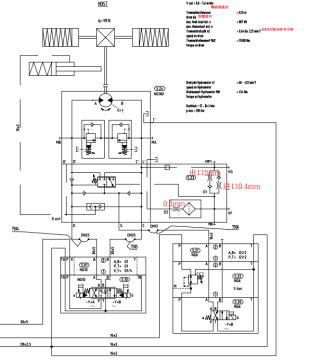
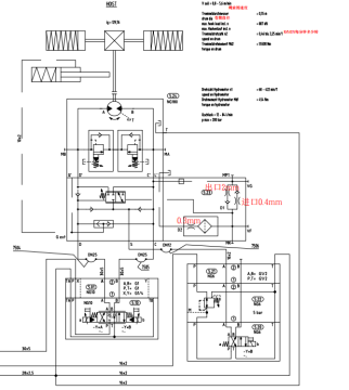
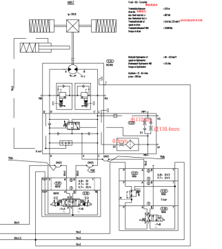
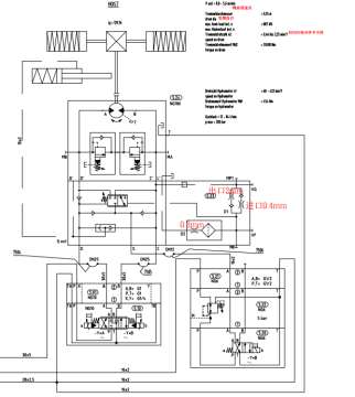
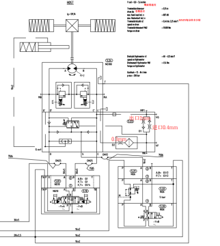
请教这个回路,上升经常出现不动的情况,下降正常;排除了比例阀问题,平衡阀是否有什么异常导致上升不正常。
1681781928260.png
  • 打卡等级:即来则安
  • 打卡总天数:271
  • 打卡总奖励:337
发表于 2023-4-18 15:12:10 | 显示全部楼层
把S口油管拆开,操作上升看看S口是否有油出来,判断平衡阀芯是否卡滞泄漏
回复

使用道具 举报

  • 打卡等级:无名新人
  • 打卡总天数:4
  • 打卡总奖励:5
发表于 2023-4-18 17:23:30 | 显示全部楼层
原理图不完整,比例阀A口出来接哪里?
其它也应该说明一下,液压马达任何控制上升下降?负载是个什么工况,2位4通电磁阀做什么用?
回复

使用道具 举报

  • 打卡等级:以坛为家
  • 打卡总天数:768
  • 打卡总奖励:1113
发表于 2023-4-18 17:23:47 | 显示全部楼层
检查一下上升不动时压力情况以及抱闸油缸是否脱开
回复

使用道具 举报

  • 打卡等级:常驻居民
  • 打卡总天数:451
  • 打卡总奖励:770
发表于 2023-4-18 23:25:38 | 显示全部楼层
如果憋压压力正常,则有可能是提不动,一个是制动没打开,一个是负载过大。上升回油不过平衡阀,分析进油侧。一种是梭阀内泄,制动没打开,这个需要测试制动压力;一种是补油单向阀泄露或平衡阀卡滞,这个要测MB压力;
回复

使用道具 举报

  • 打卡等级:常驻居民
  • 打卡总天数:451
  • 打卡总奖励:770
发表于 2023-4-18 23:36:03 | 显示全部楼层
对调下主阀电插头,看看电气有没有问题,再对调下平衡阀前油管,看故障方向是否有变化,锁定下故障范围
平衡阀的话,先看憋压压力是否正常,判断是提不动还是跑油。
提不动的话,测制动压力,有可能是梭阀内泄;也有可能负载过大。
跑油的话,测MB压力,有可能是补油单向阀泄露或者平衡阀卡阀,这时候平衡阀S口会出油。
回复

使用道具 举报

  • 打卡等级:即来则安
  • 打卡总天数:201
  • 打卡总奖励:668
 楼主| 发表于 2023-4-19 09:04:48 | 显示全部楼层
0472 发表于 2023-4-18 23:36
对调下主阀电插头,看看电气有没有问题,再对调下平衡阀前油管,看故障方向是否有变化,锁定下故障范围
平 ...

那个S冲洗回路一定需要吗?如果系统的最大流量完全可以满足马达所需流量,是不是S回路不需要?
S回路减压阀如果不是5bar,而是很高,会不会有影响?
回复

使用道具 举报

  • 打卡等级:即来则安
  • 打卡总天数:201
  • 打卡总奖励:668
 楼主| 发表于 2023-4-19 09:13:56 | 显示全部楼层
0472 发表于 2023-4-18 23:36
对调下主阀电插头,看看电气有没有问题,再对调下平衡阀前油管,看故障方向是否有变化,锁定下故障范围
平 ...

不是负载太大,空载就会发生。现在系统压力200bar,发生上升不了的情况,把压力提高一些就可以动了。
回复

使用道具 举报

  • 打卡等级:常驻居民
  • 打卡总天数:451
  • 打卡总奖励:770
发表于 2023-4-19 22:41:04 | 显示全部楼层
lxmxjtu 发表于 2023-4-19 09:13
不是负载太大,空载就会发生。现在系统压力200bar,发生上升不了的情况,把压力提高一些就可以动了。 ...

回油背压多少
回复

使用道具 举报

  • 打卡等级:即来则安
  • 打卡总天数:201
  • 打卡总奖励:668
 楼主| 发表于 2023-4-20 12:10:04 | 显示全部楼层

回油背压正常的,2bar左右
回复

使用道具 举报

您需要登录后才可以回帖 登录 | 立即注册

本版积分规则