设为首页
收藏本站
所有帖子
关于我们
联系我们
微信群
开启辅助访问
搜索
搜索
本版
用户
门户
Portal
资讯
液压资讯
观点
观点
产品
液压产品
技术
液压技术
合集
导读
Guide
下载
签到
金币
论坛
BBS
登录
立即注册
腾讯QQ
账号
自动登录
找回密码
密码
登录
立即注册
只需一步,快速开始
好友
动态
收藏
分享
帖子
日志
记录
相册
留言板
勋章
任务
道具
设置
退出
液压圈
»
论坛
›
液压元件
›
液压多路阀
›
请教下,图中的符号怎么理解?
负载敏感资料下载
|
液压培训资料下载
|
液压样本下载
|
AMESim资料下载
|
力士乐资料下载
|
挖掘机资料下载
|
标准资料下载
|
多路阀资料下载
返回列表
查看:
1104
|
回复:
3
请教下,图中的符号怎么理解?
[复制链接]
jiannan579
jiannan579
当前离线
积分
185
注册时间
2011-3-30
最后登录
1970-1-1
IP卡
狗仔卡
打卡等级:即来则安
打卡总天数:207
打卡总奖励:288
发表于 2023-4-26 09:45:31
|
显示全部楼层
|
阅读模式
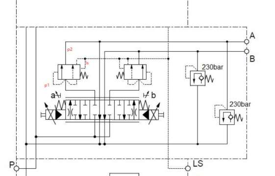
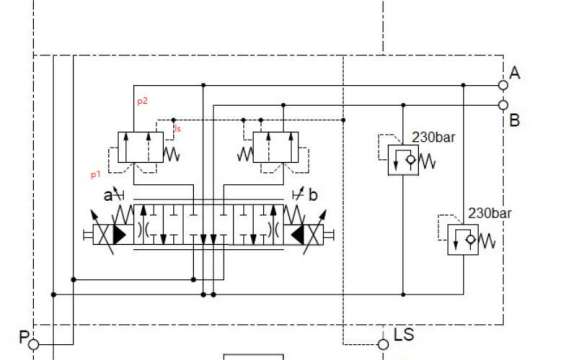
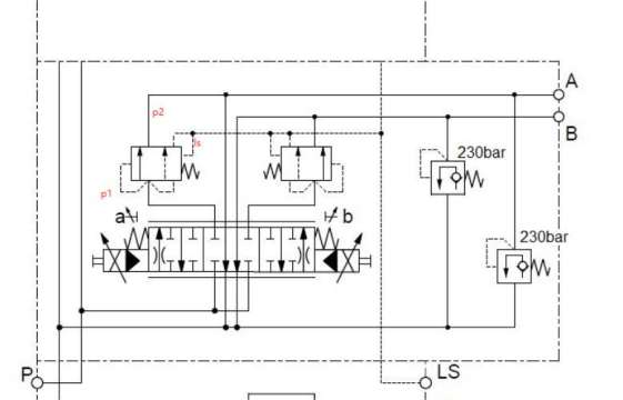
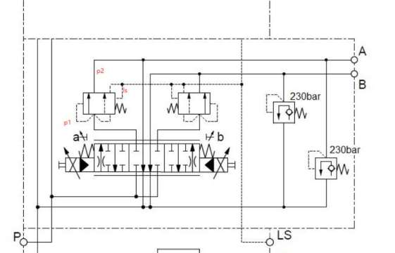
请教下,此
多路阀
图中的符号怎么理解?是阀后补偿吗?好像也不是, 溢流阀?应该也不算吧
回复
使用道具
举报
提升卡
置顶卡
变色卡
jiannan579
jiannan579
当前离线
积分
185
注册时间
2011-3-30
最后登录
1970-1-1
IP卡
狗仔卡
打卡等级:即来则安
打卡总天数:207
打卡总奖励:288
楼主
|
发表于 2023-4-26 15:02:55
|
显示全部楼层
看了下和M7差不多,有没有人能帮分析下 P P1 P2 LS 的关系
回复
使用道具
举报
jiannan579
jiannan579
当前离线
积分
185
注册时间
2011-3-30
最后登录
1970-1-1
IP卡
狗仔卡
打卡等级:即来则安
打卡总天数:207
打卡总奖励:288
楼主
|
发表于 2023-4-26 15:16:04
|
显示全部楼层
LUDV系统进油等于LS+P负载这个怎么理解
回复
使用道具
举报
jiannan579
jiannan579
当前离线
积分
185
注册时间
2011-3-30
最后登录
1970-1-1
IP卡
狗仔卡
打卡等级:即来则安
打卡总天数:207
打卡总奖励:288
楼主
|
发表于 2023-4-26 16:32:04
|
显示全部楼层
这个明了一点 被其他资料误导了
回复
使用道具
举报
返回列表
高级模式
B
Color
Image
Link
Quote
Code
Smilies
您需要登录后才可以回帖
登录
|
立即注册
本版积分规则
发表回复
回帖后跳转到最后一页
浏览过的版块
工程机械
液压油缸
液压电磁阀
测试技术
资料下载
供求信息
插装阀
故障诊断
AMESim
快速回复
返回顶部
返回列表