设为首页
收藏本站
所有帖子
关于我们
联系我们
微信群
开启辅助访问
搜索
搜索
本版
用户
门户
Portal
资讯
液压资讯
观点
观点
产品
液压产品
技术
液压技术
合集
导读
Guide
下载
签到
金币
论坛
BBS
登录
立即注册
腾讯QQ
账号
自动登录
找回密码
密码
登录
立即注册
只需一步,快速开始
好友
动态
收藏
分享
帖子
日志
记录
相册
留言板
勋章
任务
道具
设置
退出
液压圈
»
论坛
›
液压系统
›
液压技术
›
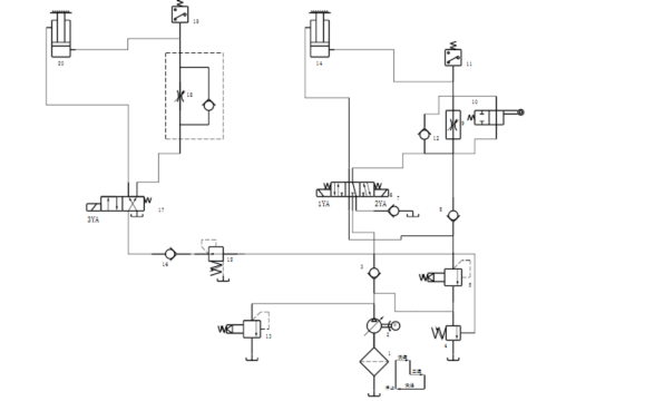
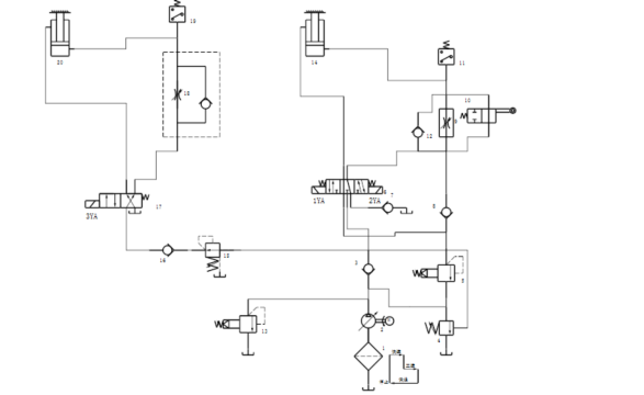
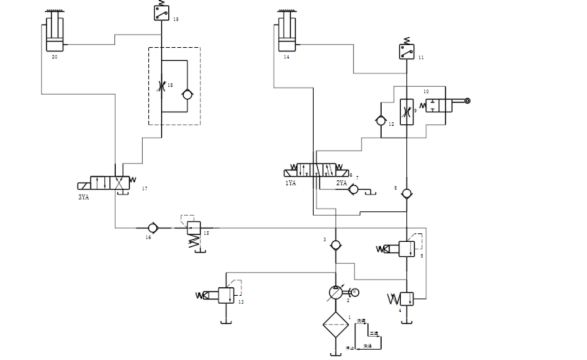
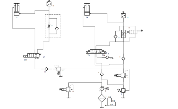
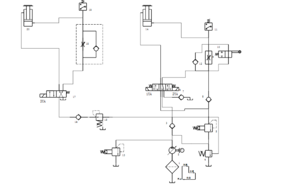
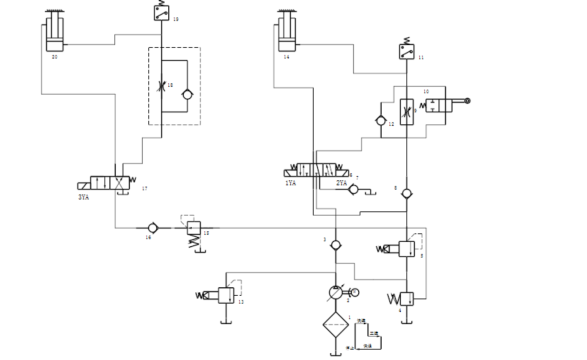
有大佬知道这个液压系统有什么问题吗
负载敏感资料下载
|
液压培训资料下载
|
液压样本下载
|
AMESim资料下载
|
力士乐资料下载
|
挖掘机资料下载
|
标准资料下载
|
多路阀资料下载
返回列表
查看:
1254
|
回复:
2
有大佬知道这个液压系统有什么问题吗
[复制链接]
小李飞刀222
小李飞刀222
当前离线
积分
5
注册时间
2023-5-9
最后登录
1970-1-1
IP卡
狗仔卡
打卡等级:无名新人
打卡总天数:3
打卡总奖励:3
发表于 2023-5-11 15:38:34
|
显示全部楼层
|
阅读模式
一个缸负责夹紧,一个缸负责夹紧
回复
使用道具
举报
提升卡
置顶卡
变色卡
小李飞刀222
小李飞刀222
当前离线
积分
5
注册时间
2023-5-9
最后登录
1970-1-1
IP卡
狗仔卡
打卡等级:无名新人
打卡总天数:3
打卡总奖励:3
楼主
|
发表于 2023-5-11 16:10:17
|
显示全部楼层
一个是锻压,写错了
回复
使用道具
举报
dirina
dirina
当前离线
积分
211
注册时间
2011-5-7
最后登录
1970-1-1
IP卡
狗仔卡
打卡等级:无名新人
打卡总天数:20
打卡总奖励:20
发表于 2023-5-13 21:57:03
|
显示全部楼层
具体分析需要你提供完整工况,看图就说一个,变量泵不建议加吸油过滤
回复
使用道具
举报
返回列表
高级模式
B
Color
Image
Link
Quote
Code
Smilies
您需要登录后才可以回帖
登录
|
立即注册
本版积分规则
发表回复
回帖后跳转到最后一页
浏览过的版块
企业名录
快速回复
返回顶部
返回列表