设为首页
收藏本站
所有帖子
关于我们
联系我们
微信群
开启辅助访问
搜索
搜索
本版
用户
门户
Portal
资讯
液压资讯
观点
观点
产品
液压产品
技术
液压技术
合集
导读
Guide
下载
签到
金币
论坛
BBS
登录
立即注册
腾讯QQ
账号
自动登录
找回密码
密码
登录
立即注册
只需一步,快速开始
好友
动态
收藏
分享
帖子
日志
记录
相册
留言板
勋章
任务
道具
设置
退出
液压圈
»
论坛
›
液压系统
›
故障诊断
›
吊机原理求解
负载敏感资料下载
|
液压培训资料下载
|
液压样本下载
|
AMESim资料下载
|
力士乐资料下载
|
挖掘机资料下载
|
标准资料下载
|
多路阀资料下载
返回列表
查看:
1498
|
回复:
4
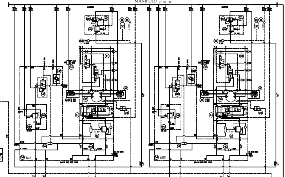
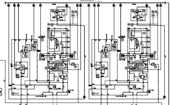
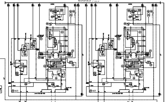
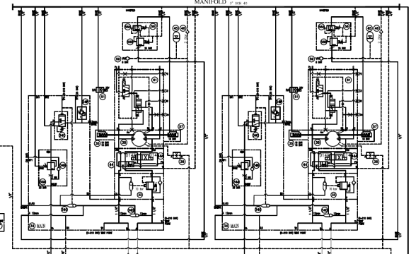
吊机原理求解
[复制链接]
xiaoheiniupp
xiaoheiniupp
当前离线
积分
106
注册时间
2016-6-8
最后登录
1970-1-1
IP卡
狗仔卡
发表于 2023-5-18 14:37:10
|
显示全部楼层
|
阅读模式
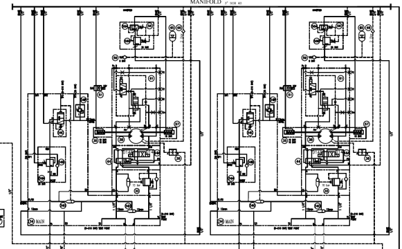
赫格隆
马达
, 双速、具体怎么工作的,双速如何实现的
回复
使用道具
举报
提升卡
置顶卡
变色卡
0472
0472
当前离线
积分
395
注册时间
2020-8-1
最后登录
1970-1-1
IP卡
狗仔卡
打卡等级:常驻居民
打卡总天数:526
打卡总奖励:867
发表于 2023-5-18 23:31:55
|
显示全部楼层
没有清晰点的图纸吗
回复
使用道具
举报
a343740703
a343740703
当前离线
积分
398
注册时间
2013-5-24
最后登录
1970-1-1
IP卡
狗仔卡
打卡等级:常驻居民
打卡总天数:336
打卡总奖励:425
发表于 2023-5-22 10:10:13
|
显示全部楼层
我猜测 应该是电磁换向D14实现双速切换
回复
使用道具
举报
kkkrad
kkkrad
当前离线
积分
704
注册时间
2021-12-9
最后登录
1970-1-1
IP卡
狗仔卡
打卡等级:以坛为家
打卡总天数:727
打卡总奖励:1216
发表于 2023-8-16 08:20:01
|
显示全部楼层
没有清晰点的图纸吗?
回复
使用道具
举报
wanlinian
wanlinian
当前离线
积分
120
注册时间
2014-2-8
最后登录
1970-1-1
IP卡
狗仔卡
打卡等级:常驻居民
打卡总天数:326
打卡总奖励:959
发表于 2024-2-23 14:48:31
|
显示全部楼层
就是改变了马达的排量
回复
使用道具
举报
返回列表
高级模式
B
Color
Image
Link
Quote
Code
Smilies
您需要登录后才可以回帖
登录
|
立即注册
本版积分规则
发表回复
回帖后跳转到最后一页
浏览过的版块
供求信息
液压油缸
工程机械
测试技术
建议区
AMESim
快速回复
返回顶部
返回列表