搜索
汉力达液压金币充值官方微信群液压资料下载
查看: 1671|回复: 8

求助:这个二通减压阀原理

[复制链接]
  • 打卡等级:论坛老炮
  • 打卡总天数:1171
  • 打卡总奖励:1821
发表于 2023-5-23 07:58:40 | 显示全部楼层 |阅读模式
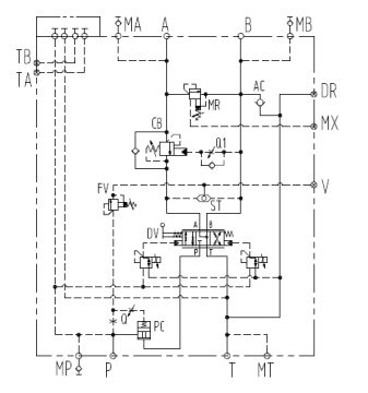
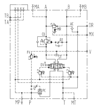
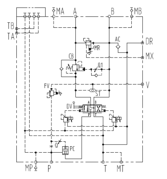
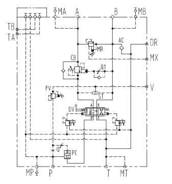
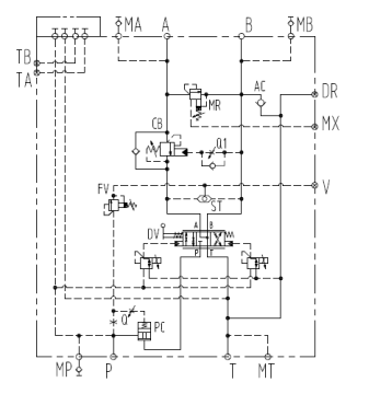
为什么FV的出口和梭阀出口并联,那么减压阀的压力怎么设定?V口接哪里?
-40a56f71ebe93abc.png
  • 打卡等级:以坛为家
  • 打卡总天数:788
  • 打卡总奖励:1342
发表于 2023-5-23 16:53:39 | 显示全部楼层
PC是个插装式减压阀,作为压力补偿器使用,FV是个溢流阀,设定以后,A、B口压力反馈到FV出口,PC主阀芯就会跟着改变。

点评

谢谢您的回复。我有两点疑问。一是溢流阀FV的出口怎么接T口;二是比例换向阀的AB口经过梭阀后影响FV的出口压力,怎么形成通路?如果不接T口,形不成通路,不成死腔了么?   发表于 2023-5-23 21:42
回复

使用道具 举报

  • 打卡等级:以坛为家
  • 打卡总天数:788
  • 打卡总奖励:1342
发表于 2023-5-24 07:37:06 | 显示全部楼层
来自泵源且压力恒定的油液,其中很小一部分通过阻尼X、直动式溢流阀和梭阀到油缸压力较高的一侧,以此作为先导控制油构成B型液压半桥以调节比例方向节流阀节流口的压降,绝大部分油液经插件的B口、A口至电液比例换向阀的P口,最后进入油缸。插件弹簧腔的压力为B型半桥的输出压力,在直动式溢流阀的设定压力调定好后,设液压缸较高一侧的负载压力如油缸无杆腔压力P升高,那么插件弹簧腔的压力也会升高,从而破坏了插件阀芯的力平衡,使减压阀阀芯向下移动,则减压阀阀口增大其液阻减小,从而减压阀A口的压力(即比例节流阀P口压力)升高,减压阀阀芯经过数次振荡后达到新的平衡位置,使得减压阀阀芯略有下移使得减压口增大,最终使得电液比例换向阀的P口压力和其A口压力增长值大体相等,以使其节流口压降最终基本保持恒定,起到压力补偿的作用,反之亦然。插件中的阻尼起到动态阻尼以提高减压阀阀芯温度性的作用。插件阀芯的力平衡方程为:

P2---插件底部容腔压力
P3---插件弹簧腔压力
K----插件弹簧刚度
Xo---弹簧预压缩量
X----插件减压口开度
Fs----液动力
又: 或者
Py----直动使溢流阀设定压力
Pa----无杆腔压力
Pb----有杆腔压力
由此可得经过进口压力补偿器进行压力补偿后电液比例换向阀节流口的压降为:

由此可见:在液动力变化不大,弹簧预压缩量较大和其刚度很小,且先导控制油流量变化较小时,经过压力补偿器补偿后电液比例换向阀节流口的压降基本保持恒定。

点评

感谢您的指导,现在已经有眉目了。  发表于 2023-5-27 21:29
回复

使用道具 举报

  • 打卡等级:论坛老炮
  • 打卡总天数:1171
  • 打卡总奖励:1821
 楼主| 发表于 2023-5-24 10:17:23 | 显示全部楼层
谢谢您的解释,我还是不明白。我的理解是:先导式溢流阀只有比例换向阀处于中位时才起作用,因为这时候溢流阀出口和换向阀的AB口都通T口,这时比例换向阀的进油口P的压力由FV设定;当比例换向阀换向后,A口或B口有压力,这时FV的出口有了背压,先导式溢流阀不关闭了吗?AB口压力还怎么反馈到插装减压阀的弹簧腔?怎么实现压力补偿?
回复

使用道具 举报

  • 打卡等级:即来则安
  • 打卡总天数:271
  • 打卡总奖励:337
发表于 2023-5-29 16:39:20 | 显示全部楼层
当比例换向阀换向时,溢流阀FV的出口的液压油通过梭阀向A或者B油路流动,溢流阀出口有背压一样可以打开啊,出口背压是作用在溢流阀弹簧腔的,入口压力等于弹簧压力加上出口压力,这个溢流阀的压力只是控制比例换向阀P口到AB口的压差的,P到AB的压差等于这个溢流阀压力加上减压主阀芯的弹簧压力,比较小,常见的压力补偿阀是阀后液压油反馈回压力补偿阀的弹簧腔,反馈回来后是不流动的,而这个是有小股液压油持续流动的,反馈并不是只有油液回流过来才叫反馈,像这样持续流动,保证了压力之间的压差关系,也是反馈啊。当A或者B的压力减小,溢流阀入口压力是不是也减小了。
回复

使用道具 举报

  • 打卡等级:无名新人
  • 打卡总天数:1
  • 打卡总奖励:2
发表于 2023-7-28 11:34:47 | 显示全部楼层
13617147622 发表于 2023-5-29 16:39
当比例换向阀换向时,溢流阀FV的出口的液压油通过梭阀向A或者B油路流动,溢流阀出口有背压一样可以打开啊, ...

请问,这个溢流阀的作用是什么呢?正常的压力补偿并不需要这个溢流阀,直接梭阀反馈到插装阀弹簧腔即可。难道是流量大用逻辑阀而逻辑阀的弹簧力太小,加了一个溢流阀增大压差?
回复

使用道具 举报

  • 打卡等级:即来则安
  • 打卡总天数:218
  • 打卡总奖励:239
发表于 2023-7-29 15:46:19 | 显示全部楼层
用FV阀设定减压阀的压力,V口可以看作测压口,FV阀/减压阀/换向阀构成调速阀原理,使流量随换向阀的开度变化而变化。
回复

使用道具 举报

您需要登录后才可以回帖 登录 | 立即注册

本版积分规则