搜索
汉力达液压金币充值官方微信群液压资料下载
查看: 2483|回复: 10

有没有大佬能详细解释一下关于二通插装阀的设定压力

  [复制链接]
  • 打卡等级:无名新人
  • 打卡总天数:14
  • 打卡总奖励:14
发表于 2023-5-25 16:38:10 | 显示全部楼层 |阅读模式
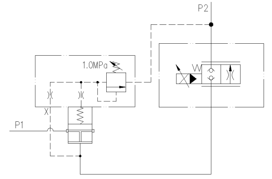
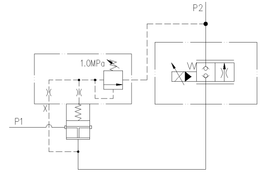
P1位阀台入口压力,P2为节流阀后压力,有没有大佬能解释一下为什么P1-P2=1MPa?
相当于插装阀作为一个定差减压阀了
微信图片_20230525163209.png
  • 打卡等级:以坛为家
  • 打卡总天数:776
  • 打卡总奖励:3041
发表于 2023-5-25 20:54:47 | 显示全部楼层
压力补偿器……请从这个角度去理解……
回复

使用道具 举报

  • 打卡等级:无名新人
  • 打卡总天数:14
  • 打卡总奖励:14
 楼主| 发表于 2023-5-26 08:49:52 | 显示全部楼层
x199 发表于 2023-5-25 20:54
压力补偿器……请从这个角度去理解……

能否详细解释一下?
回复

使用道具 举报

  • 打卡等级:以坛为家
  • 打卡总天数:775
  • 打卡总奖励:1308
发表于 2023-5-26 15:52:18 | 显示全部楼层
这个减压阀就是当作压力补偿器来使用,保证比例流量阀进出口压差恒定,这样负载压力的变化就不会影响流量。
回复

使用道具 举报

  • 打卡等级:即来则安
  • 打卡总天数:280
  • 打卡总奖励:327
发表于 2023-5-26 16:38:20 | 显示全部楼层
我最近也遇到了这个问题,开始我也以为是个减压阀,后来查资料是叫大流量压力补偿器,但是具体的使用工况,一直没弄明白。
回复

使用道具 举报

  • 打卡等级:无名新人
  • 打卡总天数:10
  • 打卡总奖励:10
发表于 2023-5-29 14:56:23 | 显示全部楼层
清风盼月 发表于 2023-5-26 16:38
我最近也遇到了这个问题,开始我也以为是个减压阀,后来查资料是叫大流量压力补偿器,但是具体的使用工况, ...

实际就是一个减压阀,你理解的没问题哈
回复

使用道具 举报

  • 打卡等级:常驻居民
  • 打卡总天数:453
  • 打卡总奖励:913
发表于 2023-6-8 21:56:22 | 显示全部楼层
实际就是定差减压阀
回复

使用道具 举报

  • 打卡等级:无名新人
  • 打卡总天数:4
  • 打卡总奖励:5
发表于 2023-6-14 09:01:15 | 显示全部楼层
请你把完整的原理图发过来看看,这样才能准确理解。
回复

使用道具 举报

  • 打卡等级:无名新人
  • 打卡总天数:1
  • 打卡总奖励:2
发表于 2023-7-29 18:04:35 | 显示全部楼层
x199 发表于 2023-5-25 20:54
压力补偿器……请从这个角度去理解……

请问,加溢流阀的原因是不是因为逻辑阀的压差太小,否则直接把出口的压力油引到弹簧腔即可
回复

使用道具 举报

  • 打卡等级:即来则安
  • 打卡总天数:217
  • 打卡总奖励:238
发表于 2023-8-5 10:28:38 | 显示全部楼层
定差减压阀保证通过比例阀的流量不受负载影响,只与比例阀的开度有关,P1是系统油源压力,P2是负载压力,P1-P2一般情况下不等于定差减压阀的设定压力,除非P1能够根据需求油量、负载的大小自动调节,这个定差减压阀在这种情况下也叫压力补偿器。
回复

使用道具 举报

您需要登录后才可以回帖 登录 | 立即注册

本版积分规则