设为首页
收藏本站
所有帖子
关于我们
联系我们
微信群
开启辅助访问
搜索
搜索
本版
用户
门户
Portal
资讯
液压资讯
观点
观点
产品
液压产品
技术
液压技术
合集
导读
Guide
下载
签到
金币
论坛
BBS
登录
立即注册
腾讯QQ
账号
自动登录
找回密码
密码
登录
立即注册
只需一步,快速开始
好友
动态
收藏
分享
帖子
日志
记录
相册
留言板
勋章
任务
道具
设置
退出
液压圈
»
论坛
›
液压系统
›
工程机械
›
轮式挖掘机行走马达
负载敏感资料下载
|
液压培训资料下载
|
液压样本下载
|
AMESim资料下载
|
力士乐资料下载
|
挖掘机资料下载
|
标准资料下载
|
多路阀资料下载
1
2
/ 2 页
下一页
返回列表
查看:
3321
|
回复:
10
[挖掘机]
轮式挖掘机行走马达
[复制链接]
wmxhit
wmxhit
当前离线
积分
153
注册时间
2022-6-30
最后登录
1970-1-1
IP卡
狗仔卡
打卡等级:无名新人
打卡总天数:11
打卡总奖励:12
发表于 2023-5-31 13:32:49
来自手机
|
显示全部楼层
|
阅读模式
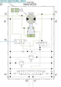
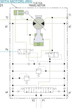
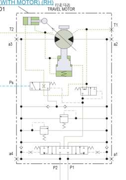
请教一下,履带
挖掘机
的行走
马达
,大部分是如下结构,有
平衡阀
和安全阀,用于防止马达吸空和用于液压制动。我单位的轮式挖掘机的行走马达上没有液压阀,制动是靠专门设置的轮边蹄鼓制动器。请问轮挖的行走马达都是这样的结构吗,有没有带平衡阀的?这种没有平衡阀的,能加装吗?
回复
使用道具
举报
提升卡
置顶卡
变色卡
junjie6560459
junjie6560459
当前离线
积分
93
注册时间
2020-5-5
最后登录
1970-1-1
IP卡
狗仔卡
打卡等级:偶尔看看
打卡总天数:62
打卡总奖励:70
发表于 2023-6-1 09:26:41
|
显示全部楼层
我见过的轮挖,行走有用机械传动的,不用静液压行走。履带式挖掘机行走速度慢,一般是开式泵用阀控,所以需要平衡阀。轮式速度快,静液压驱动的话应该要用闭式系统,直接泵控,闭式系统显然是不适合加平衡阀的。
回复
使用道具
举报
明月楼高
明月楼高
当前离线
积分
346
注册时间
2015-1-13
最后登录
1970-1-1
IP卡
狗仔卡
打卡等级:常驻居民
打卡总天数:388
打卡总奖励:418
发表于 2023-6-1 10:21:17
|
显示全部楼层
轮挖车桥上面的马达可以带平衡阀
回复
使用道具
举报
wmxhit
wmxhit
当前离线
积分
153
注册时间
2022-6-30
最后登录
1970-1-1
IP卡
狗仔卡
打卡等级:无名新人
打卡总天数:11
打卡总奖励:12
楼主
|
发表于 2023-6-1 12:38:37
来自手机
|
显示全部楼层
我们的这台是开式系统的,没有平衡阀,能加装吗,加装后是不是可以减轻制动器的负荷?
回复
使用道具
举报
空灵心境的Key
空灵心境的Key
当前离线
积分
141
注册时间
2017-9-26
最后登录
1970-1-1
IP卡
狗仔卡
打卡等级:以坛为家
打卡总天数:857
打卡总奖励:2089
发表于 2023-6-3 12:24:25
|
显示全部楼层
带平衡阀制动缓冲效果会明显好很多
回复
使用道具
举报
wmxhit
wmxhit
当前离线
积分
153
注册时间
2022-6-30
最后登录
1970-1-1
IP卡
狗仔卡
打卡等级:无名新人
打卡总天数:11
打卡总奖励:12
楼主
|
发表于 2023-6-9 07:35:57
来自手机
|
显示全部楼层
这种没平衡阀的轮挖下长坡时,不能一直刹车,要过一会会儿踩一下行走踏板,说是怕烧马达,这是售后给交待的,这种说法有道理嘛?
回复
使用道具
举报
wangxiang5008
wangxiang5008
当前离线
积分
29
注册时间
2012-12-28
最后登录
1970-1-1
IP卡
狗仔卡
打卡等级:无名新人
打卡总天数:4
打卡总奖励:13
发表于 2023-6-24 17:13:51
|
显示全部楼层
应该带平衡阀的,不然刹车存在问题,马达也容易因吸空而寿命缩短。同时要是机械急刹车时,马达容易压力高而损坏。
回复
使用道具
举报
Byron
Byron
当前离线
积分
32
注册时间
2021-1-21
最后登录
1970-1-1
IP卡
狗仔卡
打卡等级:初来乍到
打卡总天数:43
打卡总奖励:57
发表于 2023-6-27 14:41:51
|
显示全部楼层
有没有实物照片,光看描述,如 鼓式制动,判断有可能是机械传动;但售后又说长时间刹车怕烧马达,这又对不上了。
回复
使用道具
举报
大江
大江
当前离线
积分
2
注册时间
2015-3-17
最后登录
1970-1-1
IP卡
狗仔卡
发表于 2024-1-1 14:07:57
|
显示全部楼层
原来国产部分品牌轮挖前期的液压行走部分是不带平衡阀的,近些年基本都是带平衡阀了。
合资品牌和国内几大主机厂的行走马达都是配置平衡阀的。
平衡阀的功能上面几位师傅都有介绍,实际使用建议配置带平衡阀的马达。
回复
使用道具
举报
大江
大江
当前离线
积分
2
注册时间
2015-3-17
最后登录
1970-1-1
IP卡
狗仔卡
发表于 2024-1-1 14:10:59
|
显示全部楼层
平衡阀的原理和履带挖液压马达基本一样,差别在于部分平衡阀中位有开口,没有全部关死,车辆停止的时候冲击小一些。
回复
使用道具
举报
下一页 »
1
2
/ 2 页
下一页
返回列表
高级模式
B
Color
Image
Link
Quote
Code
Smilies
您需要登录后才可以回帖
登录
|
立即注册
本版积分规则
发表回复
回帖后跳转到最后一页
浏览过的版块
插装阀
液压泵马达
快速回复
返回顶部
返回列表