搜索
汉力达液压金币充值官方微信群液压资料下载
查看: 1197|回复: 3

请教各位前辈,先导式减压阀出口压力异常降低的问题

[复制链接]
  • 打卡等级:偶尔看看
  • 打卡总天数:72
  • 打卡总奖励:77
发表于 2023-6-23 15:31:19 | 显示全部楼层 |阅读模式
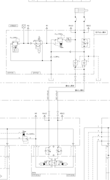
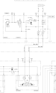
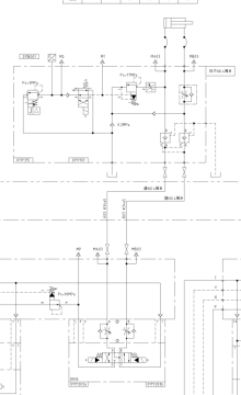
先导式减压阀控制液压缸一直处于伸出状态,由于负载存在卡阻,导致液压缸无杆腔压力由110bar下降到80bar,此时减压阀泄油声音比正常时候大很多,检查油温正常47度左右,手动调节减压阀手轮无效果。控制原理如图1,

控制原理

控制原理
压力值如图2,

压力值情况

压力值情况

然后我们采取将液压缸反复动作几次,负载卡阻部位加润滑脂,减压阀出口压力恢复正常,期间没有调节减压阀。请教各位前辈负载卡阻导致减压阀压力出现下降是怎么回事。
  • 打卡等级:常驻居民
  • 打卡总天数:327
  • 打卡总奖励:416
发表于 2023-6-25 13:59:20 | 显示全部楼层
是溢流阀不是减压阀,有甘腔补油单向阀位置不对,起不到补油作用。
回复

使用道具 举报

  • 打卡等级:偶尔看看
  • 打卡总天数:72
  • 打卡总奖励:77
 楼主| 发表于 2023-6-27 09:40:11 | 显示全部楼层
a343740703 发表于 2023-6-25 13:59
是溢流阀不是减压阀,有甘腔补油单向阀位置不对,起不到补油作用。

可能是你理解错了,有问题的是换向阀进口的减压阀,不是你说的溢流阀,静态工况下压力低,和补油关系不大
回复

使用道具 举报

  • 打卡等级:无名新人
  • 打卡总天数:4
  • 打卡总奖励:5
发表于 2023-8-21 10:27:06 | 显示全部楼层
是不是刚开始,管路中存在空气的原因?来回多动作几次,空气排出去了就正常了
回复

使用道具 举报

您需要登录后才可以回帖 登录 | 立即注册

本版积分规则