- 积分
- 26
- 注册时间
- 2020-1-7
- 最后登录
- 1970-1-1
- 打卡等级:无名新人
- 打卡总天数:28
- 打卡总奖励:29
|

楼主 |
发表于 2023-7-19 22:16:27
|
显示全部楼层
感谢回复。
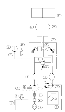
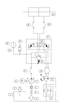
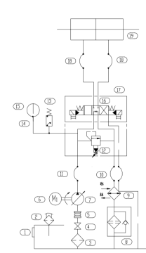
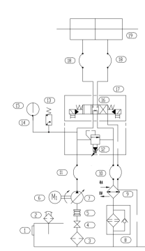
1.用恒功率泵:因为油缸工作性质来定的,油缸两端是用于压缩物料,阻力增大的时候,压力也随着增大,速度降低;
2.我是用的是先导电磁换向阀,换向中位的时候,油直接从换向阀P→T直接流出(图上面画错了,应该没有节流功能),这样溢流阀是不是就不起作用了?
3.实际使用直动式溢流阀,请问使用先导溢流阀会不会有改善冲击的作用?
|
|