搜索
汉力达液压金币充值官方微信群液压资料下载
查看: 1161|回复: 3

板式先导减压阀

[复制链接]
  • 打卡等级:无名新人
  • 打卡总天数:1
  • 打卡总奖励:2
发表于 2023-7-27 17:49:15 | 显示全部楼层 |阅读模式
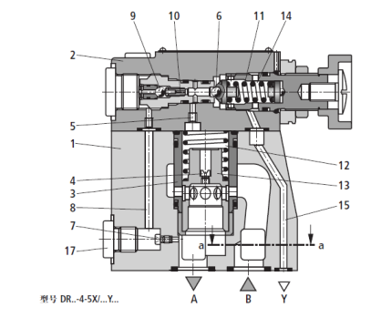
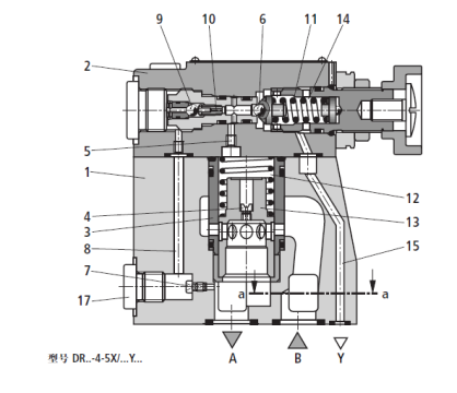
请教,板式先导减压阀阀芯上自带阻尼,为什么又在旁边设置了一个带阻尼的控制通道?本身阀芯上带阻尼不就可以了吗?
4bc5c79674f2f40d135e2fe41f830d6.png
  • 打卡等级:偶尔看看
  • 打卡总天数:64
  • 打卡总奖励:150
发表于 2023-7-28 08:49:08 | 显示全部楼层
理论上来说,由阻尼4产生阀芯开启的压降而不用设置阻尼7。实际增设7则为了限流,否则阀泄露流量将增大,堵上7还可以实现外控。
回复

使用道具 举报

  • 打卡等级:偶尔看看
  • 打卡总天数:144
  • 打卡总奖励:368
发表于 2023-7-28 22:25:53 | 显示全部楼层
参看附件,回路1补偿小流量 引起的不稳定;回路2在大流量时用于补偿主阀芯关闭时的液动力。

页面提取.pdf

261.71 KB, 下载次数: 25

回复

使用道具 举报

  • 打卡等级:无名新人
  • 打卡总天数:1
  • 打卡总奖励:2
 楼主| 发表于 2023-7-29 16:00:18 | 显示全部楼层
cyxz 发表于 2023-7-28 22:25
参看附件,回路1补偿小流量 引起的不稳定;回路2在大流量时用于补偿主阀芯关闭时的液动力。 ...

多谢,虽然还不太理解
回复

使用道具 举报

您需要登录后才可以回帖 登录 | 立即注册

本版积分规则