搜索
汉力达液压金币充值官方微信群液压资料下载
查看: 1850|回复: 8

关于力士乐DR压力控制的个人理解

[复制链接]
  • 打卡等级:初来乍到
  • 打卡总天数:33
  • 打卡总奖励:33
发表于 2023-7-31 13:24:49 | 显示全部楼层 |阅读模式
本人刚入门液压元件行业,关于力士乐DR压力控制系统的个人理解,如有错误之处,恳请指出。
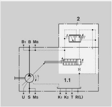
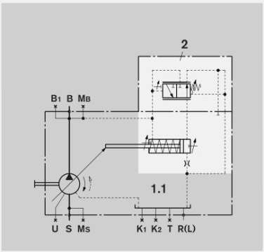
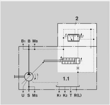
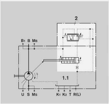
DR压力控制装置,可以保证的出口压力在液压泵的控制范围之内,这样就能保证液压泵不会被损坏。以A4VSO轴向柱塞变量泵为例。
1)判断泵出口压力和换向阀设定的压力阈值(即右侧弹簧预紧力),若出口压力小于压力切断值,斜盘处于最右边,摆角最大,此时泵出口
流量最大,系统处于高压待命状态;
2)当泵出口压力上升,超过压力切断值时,弹簧被压缩,阀芯友移,油经换向阀至控制油缸,活塞左移,推动斜盘向左摆,摆角减小,泵出口
流量最小。
A4VSO.jpg
  • 打卡等级:即来则安
  • 打卡总天数:223
  • 打卡总奖励:326
发表于 2023-8-1 11:49:57 | 显示全部楼层
我也是这样理解
回复

使用道具 举报

  • 打卡等级:初来乍到
  • 打卡总天数:33
  • 打卡总奖励:33
 楼主| 发表于 2023-8-2 09:42:30 | 显示全部楼层
液压小白先看元器件原理图还是系统原理图好些
回复

使用道具 举报

  • 打卡等级:即来则安
  • 打卡总天数:180
  • 打卡总奖励:354
发表于 2023-8-2 13:21:05 | 显示全部楼层
高压待命状态应该是系统压力到达切断压力时的状态。
回复

使用道具 举报

  • 打卡等级:即来则安
  • 打卡总天数:218
  • 打卡总奖励:239
发表于 2023-8-2 16:28:52 | 显示全部楼层
理解正确,这种泵的设计原理就是恒压泵,其输出流量是根据系统需求给出的。
回复

使用道具 举报

  • 打卡等级:即来则安
  • 打卡总天数:191
  • 打卡总奖励:305
发表于 2023-8-9 11:26:30 | 显示全部楼层
lihaijun 发表于 2023-8-2 16:28
理解正确,这种泵的设计原理就是恒压泵,其输出流量是根据系统需求给出的。 ...

恒压泵在工作中,泵的排量只有两种情况,要么处于最大(压力阀不工作),要么处于最小(压力阀工作)。没有所谓的中间排量的。
回复

使用道具 举报

  • 打卡等级:即来则安
  • 打卡总天数:180
  • 打卡总奖励:354
发表于 2023-8-9 14:42:02 | 显示全部楼层
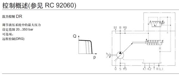
请看力士乐A4VSODR泵的流量压力曲线,恒压泵是可以工作在黑色曲线的任意一点的,与之对应的坐标值就是流量和压力值。
恒压曲线.jpg
回复

使用道具 举报

发表于 2023-8-11 14:12:04 来自手机 | 显示全部楼层
Engineer_hao 发表于 2023-8-9 11:26
恒压泵在工作中,泵的排量只有两种情况,要么处于最大(压力阀不工作),要么处于最小(压力阀工作)。没 ...

你理解的不对,恒压控制可以根据系统需求自动调节排练
回复

使用道具 举报

  • 打卡等级:即来则安
  • 打卡总天数:271
  • 打卡总奖励:337
发表于 2023-8-17 16:52:18 | 显示全部楼层
当多路阀控制开口变小时,此时流量相对于多路阀来说过大,导致泵的输出压力上升,恒压阀调节使排量减小,直至至泵的输出流量使多路阀入口压力减小至恒压阀的设定压力,恒压阀维持在中间不通状态,多路阀开口变大,则过程相反。整个过程就是恒压泵为了满足多路阀的流量需求在调整,保持泵的输出口到多路阀的入口这一段压力始终向恒压阀设定压力调节直至稳定。泵的排量可以在最小和最大排量之间任意位置。
回复

使用道具 举报

您需要登录后才可以回帖 登录 | 立即注册

本版积分规则