搜索
汉力达液压金币充值官方微信群液压资料下载
查看: 1946|回复: 6

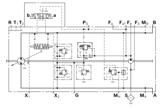
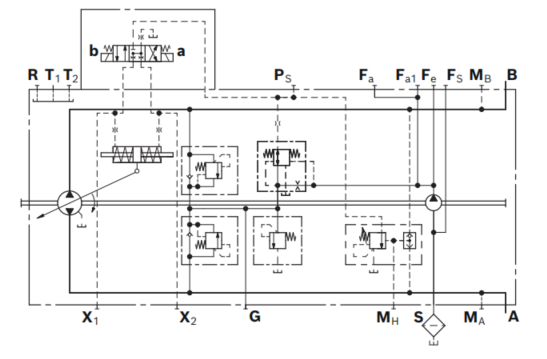
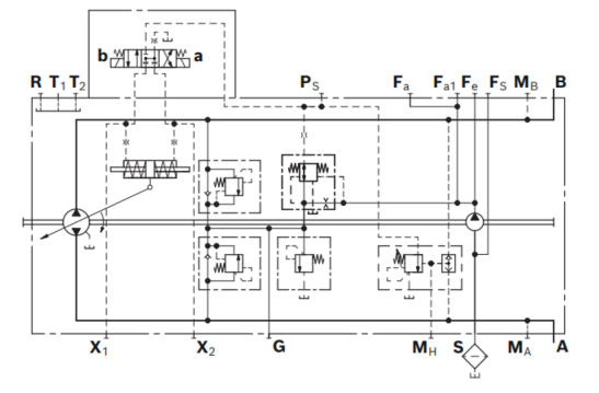
A4VG泵的负载敏感控制

[复制链接]
  • 打卡等级:无名新人
  • 打卡总天数:1
  • 打卡总奖励:1
发表于 2023-8-17 16:23:31 | 显示全部楼层 |阅读模式
麻烦请问各位大佬,力士乐A4VGDA控制,用于控制行走马达,可以进行负载敏感控制吗?
1692260538462.jpg
  • 打卡等级:无名新人
  • 打卡总天数:23
  • 打卡总奖励:105
发表于 2023-8-18 20:59:09 来自手机 | 显示全部楼层
这是容积调速回路,负载敏感是节流调速范畴,不一样的,不能扯在一起😂
回复

使用道具 举报

  • 打卡等级:无名新人
  • 打卡总天数:11
  • 打卡总奖励:12
发表于 2023-8-19 00:56:21 来自手机 | 显示全部楼层
这个泵控制行走,是闭式系统。
负载敏感是用在节流调速的开式系统的技术。
回复

使用道具 举报

  • 打卡等级:无名新人
  • 打卡总天数:1
  • 打卡总奖励:1
 楼主| 发表于 2023-8-19 13:00:20 | 显示全部楼层
butter 发表于 2023-8-18 20:59
这是容积调速回路,负载敏感是节流调速范畴,不一样的,不能扯在一起😂

谢谢您的解答
回复

使用道具 举报

  • 打卡等级:无名新人
  • 打卡总天数:1
  • 打卡总奖励:1
 楼主| 发表于 2023-8-19 13:01:02 | 显示全部楼层
wmxhit 发表于 2023-8-19 00:56
这个泵控制行走,是闭式系统。
负载敏感是用在节流调速的开式系统的技术。 ...

谢谢您,请问在液压转向系统里面是不是可以用负载敏感控制呢?
回复

使用道具 举报

  • 打卡等级:无名新人
  • 打卡总天数:11
  • 打卡总奖励:12
发表于 2023-8-21 00:44:32 来自手机 | 显示全部楼层
可以啊,有负载敏感的液压转向器。
回复

使用道具 举报

  • 打卡等级:无名新人
  • 打卡总天数:1
  • 打卡总奖励:1
 楼主| 发表于 2023-9-1 12:35:53 | 显示全部楼层
wmxhit 发表于 2023-8-21 00:44
可以啊,有负载敏感的液压转向器。

谢谢您的解答
回复

使用道具 举报

您需要登录后才可以回帖 登录 | 立即注册

本版积分规则