设为首页
收藏本站
所有帖子
关于我们
联系我们
微信群
开启辅助访问
搜索
搜索
本版
用户
门户
Portal
资讯
液压资讯
观点
观点
产品
液压产品
技术
液压技术
合集
导读
Guide
下载
签到
金币
论坛
BBS
登录
立即注册
腾讯QQ
账号
自动登录
找回密码
密码
登录
立即注册
只需一步,快速开始
我的
日志
记录
收藏
勋章
任务
道具
动态
设置
退出
液压圈
»
论坛
›
液压元件
›
液压泵马达
›
麻烦请问各位大佬,力士乐A4VG泵DA控制,用于控制行走马 ...
负载敏感资料下载
|
液压培训资料下载
|
液压样本下载
|
AMESim资料下载
|
力士乐资料下载
|
挖掘机资料下载
|
标准资料下载
|
多路阀资料下载
返回列表
查看:
1095
|
回复:
0
麻烦请问各位大佬,力士乐A4VG泵DA控制,用于控制行走马达,可以进行负载敏感控
[复制链接]
景苍梧
景苍梧
当前离线
积分
22
注册时间
2023-8-17
最后登录
1970-1-1
IP卡
狗仔卡
打卡等级:无名新人
打卡总天数:1
打卡总奖励:1
发表于 2023-8-17 16:29:44
|
显示全部楼层
|
阅读模式
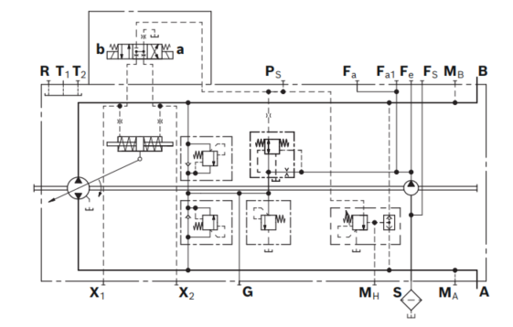
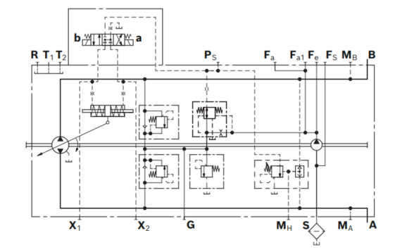
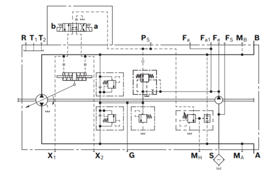
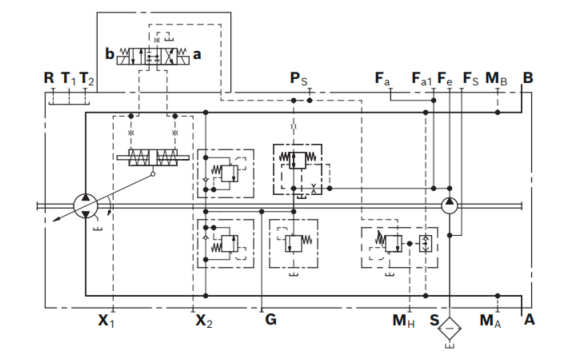
麻烦请问各位大佬,
力士乐
A4VG
泵
DA控制,用于控制行走
马达
,可以进行
负载敏感
控制吗?
回复
使用道具
举报
提升卡
置顶卡
变色卡
返回列表
高级模式
B
Color
Image
Link
Quote
Code
Smilies
您需要登录后才可以回帖
登录
|
立即注册
本版积分规则
发表回复
回帖后跳转到最后一页
浏览过的版块
求职招聘
公告区
资料下载
液压多路阀
液压技术
工程机械
插装阀
AMESim
伺服控制
快速回复
返回顶部
返回列表