设为首页
收藏本站
所有帖子
关于我们
联系我们
微信群
开启辅助访问
搜索
搜索
本版
用户
门户
Portal
资讯
液压资讯
观点
观点
产品
液压产品
技术
液压技术
合集
导读
Guide
下载
签到
金币
论坛
BBS
登录
立即注册
腾讯QQ
账号
自动登录
找回密码
密码
登录
立即注册
只需一步,快速开始
好友
动态
收藏
分享
帖子
日志
记录
相册
留言板
勋章
任务
道具
设置
退出
液压圈
»
论坛
›
液压元件
›
液压多路阀
›
请问一下,力士乐M7阀的a、b口起什么作用的?这两个口应 ...
负载敏感资料下载
|
液压培训资料下载
|
液压样本下载
|
AMESim资料下载
|
力士乐资料下载
|
挖掘机资料下载
|
标准资料下载
|
多路阀资料下载
返回列表
查看:
1283
|
回复:
2
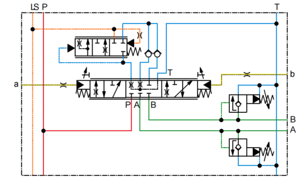
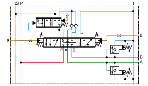
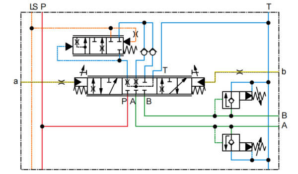
请问一下,力士乐M7阀的a、b口起什么作用的?这两个口应该连到哪里呢?
[复制链接]
景苍梧
景苍梧
当前离线
积分
22
注册时间
2023-8-17
最后登录
1970-1-1
IP卡
狗仔卡
打卡等级:无名新人
打卡总天数:1
打卡总奖励:1
发表于 2023-9-7 00:01:17
|
显示全部楼层
|
阅读模式
请问一下,
力士乐
M7阀的a、b口起什么作用的?这两个口应该连到哪里呢?
回复
使用道具
举报
提升卡
置顶卡
变色卡
tanxiany
tanxiany
当前离线
积分
612
注册时间
2019-1-31
最后登录
1970-1-1
IP卡
狗仔卡
打卡等级:以坛为家
打卡总天数:837
打卡总奖励:1277
发表于 2023-9-7 08:24:25
|
显示全部楼层
a、b口是控制这个液动三位阀换向的,这两个口应该接到先导控制阀上。
回复
使用道具
举报
382654707
382654707
当前离线
积分
13
注册时间
2020-9-13
最后登录
1970-1-1
IP卡
狗仔卡
打卡等级:无名新人
打卡总天数:3
打卡总奖励:4
发表于 2025-3-2 15:51:35
|
显示全部楼层
接先导控制
回复
使用道具
举报
返回列表
高级模式
B
Color
Image
Link
Quote
Code
Smilies
您需要登录后才可以回帖
登录
|
立即注册
本版积分规则
发表回复
回帖后跳转到最后一页
浏览过的版块
故障诊断
工程机械
资料下载
供求信息
测试技术
液压油缸
建议区
AMESim
快速回复
返回顶部
返回列表