设为首页
收藏本站
所有帖子
关于我们
联系我们
微信群
开启辅助访问
搜索
搜索
本版
用户
门户
Portal
资讯
液压资讯
观点
观点
产品
液压产品
技术
液压技术
合集
导读
Guide
下载
签到
金币
论坛
BBS
登录
立即注册
腾讯QQ
账号
自动登录
找回密码
密码
登录
立即注册
只需一步,快速开始
好友
动态
收藏
分享
帖子
日志
记录
相册
留言板
勋章
任务
道具
设置
退出
液压圈
»
论坛
›
液压系统
›
AMESim
›
真诚向各位大神求助,如何在AMESim中搭建离心泵模型!! ...
负载敏感资料下载
|
液压培训资料下载
|
液压样本下载
|
AMESim资料下载
|
力士乐资料下载
|
挖掘机资料下载
|
标准资料下载
|
多路阀资料下载
返回列表
查看:
1732
|
回复:
3
真诚向各位大神求助,如何在AMESim中搭建离心泵模型!!
[复制链接]
开岸r
开岸r
当前离线
积分
5
注册时间
2023-9-22
最后登录
1970-1-1
IP卡
狗仔卡
发表于 2023-9-22 17:14:51
|
显示全部楼层
|
阅读模式
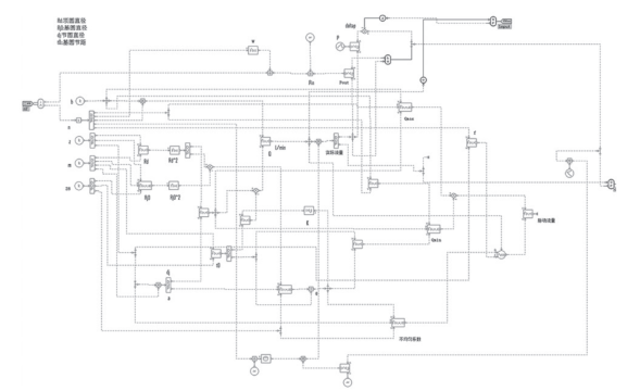
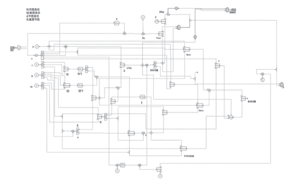
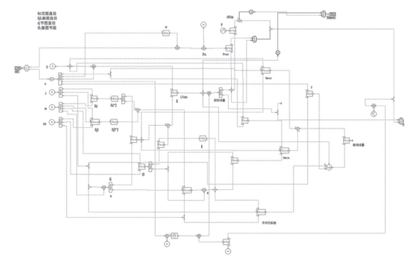
附件图片是齿轮
泵
的模型搭建,请问能不能用类似的方法把离心泵的模型搭建出来,真心求教,可有偿!
AMESim齿轮泵模型的构建
回复
使用道具
举报
提升卡
置顶卡
变色卡
tzjzjyp
tzjzjyp
当前离线
积分
112
注册时间
2018-2-27
最后登录
1970-1-1
IP卡
狗仔卡
打卡等级:无名新人
打卡总天数:7
打卡总奖励:7
发表于 2023-12-5 09:16:35
|
显示全部楼层
这么高深?完全看不懂啊
回复
使用道具
举报
者羽登临
者羽登临
当前离线
积分
8
注册时间
2016-9-4
最后登录
1970-1-1
IP卡
狗仔卡
发表于 2023-12-9 21:23:48
|
显示全部楼层
这是通过齿轮泵的公式搭建的,就是把公式换一种方式呈现,搭建离心泵的话一样需要公式,就看公式中考虑的因素多不多了,最简单的一个f函数就可以表达。根本上说这个搭建首先需要数学模型。
回复
使用道具
举报
695726348
695726348
当前离线
积分
7
注册时间
2022-9-23
最后登录
1970-1-1
IP卡
狗仔卡
打卡等级:无名新人
打卡总天数:4
打卡总奖励:5
发表于 2024-3-24 10:01:46
|
显示全部楼层
这是纯理论公式建模阀吧,就单纯用amesim把公式计算过程搭建出来, 建离心泵的模型需要离心泵的公式
回复
使用道具
举报
返回列表
高级模式
B
Color
Image
Link
Quote
Code
Smilies
您需要登录后才可以回帖
登录
|
立即注册
本版积分规则
发表回复
回帖后跳转到最后一页
浏览过的版块
供求信息
快速回复
返回顶部
返回列表