设为首页
收藏本站
所有帖子
关于我们
联系我们
微信群
开启辅助访问
搜索
搜索
本版
用户
门户
Portal
资讯
液压资讯
观点
观点
产品
液压产品
技术
液压技术
合集
导读
Guide
下载
签到
金币
论坛
BBS
登录
立即注册
腾讯QQ
账号
自动登录
找回密码
密码
登录
立即注册
只需一步,快速开始
好友
动态
收藏
分享
帖子
日志
记录
相册
留言板
勋章
任务
道具
设置
退出
液压圈
»
论坛
›
液压系统
›
工程机械
›
三一挖机SY210C8M主泵原理请教
负载敏感资料下载
|
液压培训资料下载
|
液压样本下载
|
AMESim资料下载
|
力士乐资料下载
|
挖掘机资料下载
|
标准资料下载
|
多路阀资料下载
返回列表
查看:
2044
|
回复:
11
[挖掘机]
三一挖机SY210C8M主泵原理请教
[复制链接]
wmxhit
wmxhit
当前离线
积分
153
注册时间
2022-6-30
最后登录
1970-1-1
IP卡
狗仔卡
打卡等级:无名新人
打卡总天数:11
打卡总奖励:12
发表于 2023-9-28 19:12:49
来自手机
|
显示全部楼层
|
阅读模式
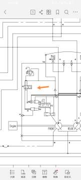
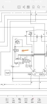
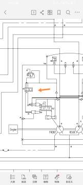
三一挖机SY210C8M主
泵
的这个阀是干啥的?是主泵卸载的吗?
回复
使用道具
举报
提升卡
置顶卡
变色卡
yuesong
yuesong
当前离线
积分
1
注册时间
2021-2-5
最后登录
1970-1-1
IP卡
狗仔卡
发表于 2023-10-4 21:10:40
|
显示全部楼层
没有研究过,研究研究。
回复
使用道具
举报
wmxhit
wmxhit
当前离线
积分
153
注册时间
2022-6-30
最后登录
1970-1-1
IP卡
狗仔卡
打卡等级:无名新人
打卡总天数:11
打卡总奖励:12
楼主
|
发表于 2023-10-7 23:16:41
来自手机
|
显示全部楼层
哪位大神清楚啊,给解答一下
回复
使用道具
举报
hunan2002001
hunan2002001
当前离线
积分
9
注册时间
2019-6-6
最后登录
1970-1-1
IP卡
狗仔卡
打卡等级:无名新人
打卡总天数:2
打卡总奖励:3
发表于 2023-10-11 13:53:31
|
显示全部楼层
首先这是个恒功率泵。个人感觉这个阀的左右位工况,决定了上下两个弹簧不同的压缩程度,主要目的应该是为了达到不同的泵功率调节。
点评
wmxhit
感谢回答
发表于 2023-10-12 00:11
回复
使用道具
举报
hunan2002001
hunan2002001
当前离线
积分
9
注册时间
2019-6-6
最后登录
1970-1-1
IP卡
狗仔卡
打卡等级:无名新人
打卡总天数:2
打卡总奖励:3
发表于 2023-10-11 13:55:43
|
显示全部楼层
这是个恒功率泵。此阀的作用主要是不同恒功率值的调整,因为左右两个工作位对应恒功率阀弹簧的不同压缩程度。
回复
使用道具
举报
日月
日月
当前离线
积分
1
注册时间
2023-9-19
最后登录
1970-1-1
IP卡
狗仔卡
发表于 2023-11-7 22:49:52
来自手机
|
显示全部楼层
主要是两个模式的转换,电控和液压自控
点评
wmxhit
感谢回答
发表于 2023-11-29 03:02
回复
使用道具
举报
qianfa
qianfa
当前离线
积分
307
注册时间
2021-10-15
最后登录
1970-1-1
IP卡
狗仔卡
打卡等级:即来则安
打卡总天数:296
打卡总奖励:437
发表于 2025-1-18 19:26:32
|
显示全部楼层
建议把图贴全,向别人提问题时,首先将提出的问题或资料给全
回复
使用道具
举报
Lin_Joseph
Lin_Joseph
当前离线
积分
120
注册时间
2012-3-9
最后登录
1970-1-1
IP卡
狗仔卡
打卡等级:无名新人
打卡总天数:3
打卡总奖励:3
发表于 2025-2-14 19:09:51
|
显示全部楼层
这是电液混合控制的,单泵这个两个电磁阀需要根据正负流量来分析。
回复
使用道具
举报
buaazf
buaazf
当前离线
积分
2
注册时间
2025-2-25
最后登录
1970-1-1
IP卡
狗仔卡
打卡等级:无名新人
打卡总天数:1
打卡总奖励:1
发表于 2025-2-25 18:03:28
|
显示全部楼层
应该是控制阀一类的
回复
使用道具
举报
buaazf
buaazf
当前离线
积分
2
注册时间
2025-2-25
最后登录
1970-1-1
IP卡
狗仔卡
打卡等级:无名新人
打卡总天数:1
打卡总奖励:1
发表于 2025-2-25 18:03:54
|
显示全部楼层
应该是控制阀一类的
回复
使用道具
举报
返回列表
高级模式
B
Color
Image
Link
Quote
Code
Smilies
您需要登录后才可以回帖
登录
|
立即注册
本版积分规则
发表回复
回帖后跳转到最后一页
浏览过的版块
液压多路阀
供求信息
快速回复
返回顶部
返回列表