设为首页
收藏本站
所有帖子
关于我们
联系我们
微信群
开启辅助访问
搜索
搜索
本版
用户
门户
Portal
资讯
液压资讯
观点
观点
产品
液压产品
技术
液压技术
合集
导读
Guide
下载
签到
金币
论坛
BBS
登录
立即注册
腾讯QQ
账号
自动登录
找回密码
密码
登录
立即注册
只需一步,快速开始
好友
动态
收藏
分享
帖子
日志
记录
相册
留言板
勋章
任务
道具
设置
退出
液压圈
»
论坛
›
液压系统
›
液压技术
›
流量经过离心泵压力没有改变
负载敏感资料下载
|
液压培训资料下载
|
液压样本下载
|
AMESim资料下载
|
力士乐资料下载
|
挖掘机资料下载
|
标准资料下载
|
多路阀资料下载
返回列表
查看:
796
|
回复:
2
流量经过离心泵压力没有改变
[复制链接]
xiaodong1
xiaodong1
当前离线
积分
18
注册时间
2023-10-20
最后登录
1970-1-1
IP卡
狗仔卡
打卡等级:无名新人
打卡总天数:1
打卡总奖励:1
发表于 2023-11-15 15:46:41
|
显示全部楼层
|
阅读模式
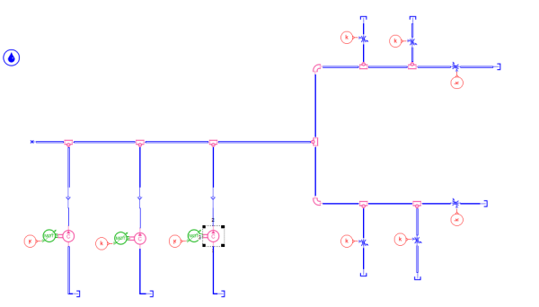
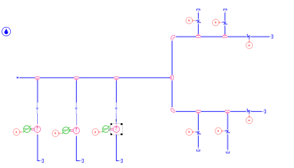
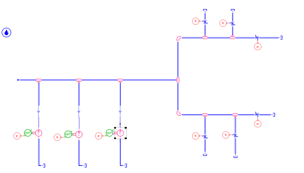
流量经过离心
泵
之后压力没有改变出口压力和入口压力相同,请高手指点指点
回复
使用道具
举报
提升卡
置顶卡
变色卡
dirina
dirina
当前离线
积分
225
注册时间
2011-5-7
最后登录
1970-1-1
IP卡
狗仔卡
打卡等级:无名新人
打卡总天数:29
打卡总奖励:29
发表于 2023-11-16 10:07:42
|
显示全部楼层
压力由负载决定,理解了就知道原因了
回复
使用道具
举报
海中游
海中游
当前离线
积分
1152
注册时间
2011-8-11
最后登录
1970-1-1
IP卡
狗仔卡
打卡等级:以坛为家
打卡总天数:782
打卡总奖励:1230
发表于 2023-11-17 10:19:41
|
显示全部楼层
封闭管路,离心泵循环,进口出口压力相近
回复
使用道具
举报
返回列表
高级模式
B
Color
Image
Link
Quote
Code
Smilies
您需要登录后才可以回帖
登录
|
立即注册
本版积分规则
发表回复
回帖后跳转到最后一页
浏览过的版块
公告区
插装阀
液压油缸
液压辅件
资料下载
液压电磁阀
液压泵马达
供求信息
液压多路阀
快速回复
返回顶部
返回列表