搜索
汉力达液压金币充值官方微信群液压资料下载
查看: 1145|回复: 8

液压泵泵头的换向阀断电后无法复位是什么原因了

[复制链接]
  • 打卡等级:偶尔看看
  • 打卡总天数:79
  • 打卡总奖励:111
发表于 2023-12-23 11:38:06 | 显示全部楼层 |阅读模式
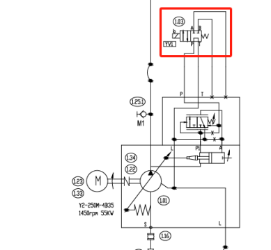
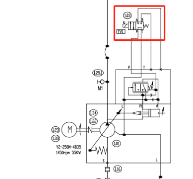
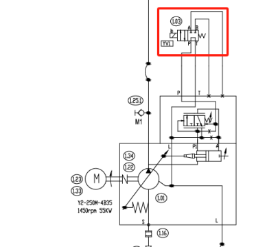
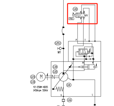
头换向阀断电后无法复位

泵头原理图

泵头原理图
  • 打卡等级:以坛为家
  • 打卡总天数:694
  • 打卡总奖励:1109
发表于 2023-12-24 09:44:01 | 显示全部楼层
提个问题要说清楚情况,油泵型号、故障情况。没头没脑,别怎么分析,也不愿意搭理
回复

使用道具 举报

  • 打卡等级:偶尔看看
  • 打卡总天数:66
  • 打卡总奖励:158
发表于 2023-12-24 13:01:01 | 显示全部楼层
复位弹簧失效或4个紧固螺丝太紧了。
回复

使用道具 举报

  • 打卡等级:无名新人
  • 打卡总天数:12
  • 打卡总奖励:12
发表于 2023-12-25 09:15:45 | 显示全部楼层
先换个新的换向阀试试啊,排除换向阀问题先
回复

使用道具 举报

  • 打卡等级:偶尔看看
  • 打卡总天数:79
  • 打卡总奖励:111
 楼主| 发表于 2023-12-25 15:26:35 | 显示全部楼层
海中游 发表于 2023-12-24 09:44
提个问题要说清楚情况,油泵型号、故障情况。没头没脑,别怎么分析,也不愿意搭理 ...

液压泵使用的是MOOG,型号:HP-R18A7-PKP140TM,故障情况是泵头压力无法调整,已启动直接升到200以上,需要控制在180
回复

使用道具 举报

  • 打卡等级:偶尔看看
  • 打卡总天数:79
  • 打卡总奖励:111
 楼主| 发表于 2023-12-26 16:41:07 | 显示全部楼层
dirina 发表于 2023-12-25 09:15
先换个新的换向阀试试啊,排除换向阀问题先

换过了,不管用
回复

使用道具 举报

  • 打卡等级:以坛为家
  • 打卡总天数:694
  • 打卡总奖励:1109
发表于 2023-12-27 09:20:01 | 显示全部楼层

考虑油泵有故障
暂时将系统主溢流阀调低至180Bar。
回复

使用道具 举报

  • 打卡等级:以坛为家
  • 打卡总天数:694
  • 打卡总奖励:1109
发表于 2023-12-27 10:28:07 | 显示全部楼层
我是蓝胖子 发表于 2023-12-25 15:26
液压泵使用的是MOOG,型号:HP-R18A7-PKP140TM,故障情况是泵头压力无法调整,已启动直接升到200以上,需 ...

补偿器(控制模式)关键信息没有说明,28**Z00。
看图片,应该是压力控制模式,电磁阀用来加压和泄压的,压力高低和电磁阀没有关系。
油泵上应该还有1个压力调节阀,调低就好了。
回复

使用道具 举报

  • 打卡等级:无名新人
  • 打卡总天数:12
  • 打卡总奖励:12
发表于 2023-12-28 10:27:53 | 显示全部楼层
楼上说的对啊,电磁阀只是起到断电快速卸荷的作业,你泵头压力高,你就调节泵头的手动溢流阀就可以了
回复

使用道具 举报

您需要登录后才可以回帖 登录 | 立即注册

本版积分规则