搜索
金币充值液压资料下载官方微信群
查看: 1322|回复: 1

[矿山机械] Sandvik集团TH550液压原理图

[复制链接]
  • 打卡等级:常驻居民
  • 打卡总天数:352
  • 打卡总奖励:426
发表于 2023-12-25 21:31:58 | 显示全部楼层 |阅读模式
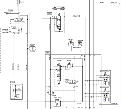
Sandvik集团TH550液压原理图部分
1703511048354.png

HYDRAULIC SCHEMA.pdf

303.96 KB, 下载次数: 99

售价: 8 金钱  [记录]

  • 打卡等级:无名新人
  • 打卡总天数:4
  • 打卡总奖励:4
发表于 2026-3-5 11:01:49 | 显示全部楼层
挺好的资料!山特维克的地下矿卡!
回复

使用道具 举报

您需要登录后才可以回帖 登录 | 立即注册

本版积分规则