搜索
汉力达液压金币充值官方微信群液压资料下载
查看: 996|回复: 4

K3VL80想用PLC控制斜盘角度

[复制链接]
  • 打卡等级:无名新人
  • 打卡总天数:4
  • 打卡总奖励:4
发表于 2024-1-3 11:27:27 | 显示全部楼层 |阅读模式
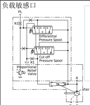
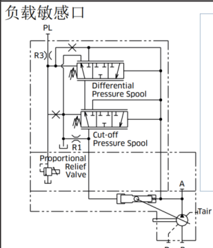
K3VL80想用PLC控制斜盘角度,是不是选用LV控制,PL接的是什么,求原理图
屏幕截图 2024-01-03 112530.png
  • 打卡等级:即来则安
  • 打卡总天数:191
  • 打卡总奖励:305
发表于 2024-1-24 13:50:36 | 显示全部楼层
PL pressure of load (负载侧的压力)。这是典型的负载敏感系统泵,你说的电控排量是另一种控制方式。
回复

使用道具 举报

  • 打卡等级:无名新人
  • 打卡总天数:4
  • 打卡总奖励:4
 楼主| 发表于 2024-1-30 11:08:56 | 显示全部楼层
Engineer_hao 发表于 2024-1-24 13:50
PL pressure of load (负载侧的压力)。这是典型的负载敏感系统泵,你说的电控排量是另一种控制方式。 ...

是哪种,可有资料
回复

使用道具 举报

  • 打卡等级:即来则安
  • 打卡总天数:187
  • 打卡总奖励:285
发表于 2024-2-1 09:38:19 | 显示全部楼层
看看样本,功能找变比例的,例如A11VO叫行程限位器
回复

使用道具 举报

  • 打卡等级:论坛老炮
  • 打卡总天数:1305
  • 打卡总奖励:4125
发表于 2024-3-8 20:46:26 | 显示全部楼层
直接用丹佛斯45系列90排量电比例即可,配个放大版,直接输出模拟量就行
回复

使用道具 举报

您需要登录后才可以回帖 登录 | 立即注册

本版积分规则