设为首页
收藏本站
所有帖子
关于我们
联系我们
微信群
开启辅助访问
搜索
搜索
本版
用户
门户
Portal
资讯
液压资讯
观点
观点
产品
液压产品
技术
液压技术
合集
导读
Guide
下载
签到
金币
论坛
BBS
登录
立即注册
腾讯QQ
账号
自动登录
找回密码
密码
登录
立即注册
只需一步,快速开始
我的
日志
记录
收藏
勋章
任务
道具
动态
设置
退出
液压圈
»
论坛
›
液压元件
›
液压辅件
›
请教这种液压接头的标准
负载敏感资料下载
|
液压培训资料下载
|
液压样本下载
|
AMESim资料下载
|
力士乐资料下载
|
挖掘机资料下载
|
标准资料下载
|
多路阀资料下载
返回列表
查看:
782
|
回复:
3
请教这种液压接头的标准
[复制链接]
小叶子Ya
小叶子Ya
当前离线
积分
7
注册时间
2023-11-30
最后登录
1970-1-1
IP卡
狗仔卡
打卡等级:无名新人
打卡总天数:2
打卡总奖励:2
发表于 2024-2-20 11:35:27
来自手机
|
显示全部楼层
|
阅读模式
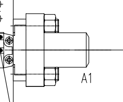
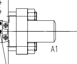
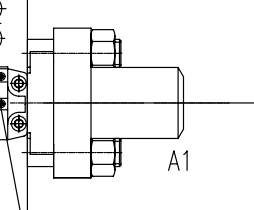
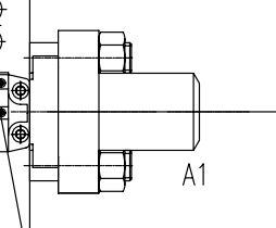
这个液压接头查询不到型号和
标准
号,请教一下有没有人了解
回复
使用道具
举报
提升卡
置顶卡
变色卡
kimiso
kimiso
当前离线
积分
43
注册时间
2023-5-3
最后登录
1970-1-1
IP卡
狗仔卡
打卡等级:偶尔看看
打卡总天数:68
打卡总奖励:68
发表于 2024-2-21 08:38:08
|
显示全部楼层
方形法兰接头?
回复
使用道具
举报
alin82813
alin82813
当前离线
积分
1
注册时间
2022-11-11
最后登录
1970-1-1
IP卡
狗仔卡
发表于 2024-3-8 09:18:55
|
显示全部楼层
如果是国际标准的,那应该是ISO 6164
回复
使用道具
举报
wlx007wlx
wlx007wlx
当前离线
积分
53
注册时间
2015-5-18
最后登录
1970-1-1
IP卡
狗仔卡
打卡等级:初来乍到
打卡总天数:35
打卡总奖励:35
发表于 2025-10-8 17:03:57
|
显示全部楼层
方形法兰可以派克样本或者EMB 样本
回复
使用道具
举报
返回列表
高级模式
B
Color
Image
Link
Quote
Code
Smilies
您需要登录后才可以回帖
登录
|
立即注册
本版积分规则
发表回复
回帖后跳转到最后一页
浏览过的版块
液压泵马达
公告区
液压技术
液压油缸
资料下载
供求信息
快速回复
返回顶部
返回列表