设为首页
收藏本站
所有帖子
关于我们
联系我们
微信群
开启辅助访问
搜索
搜索
本版
用户
门户
Portal
资讯
液压资讯
观点
观点
产品
液压产品
技术
液压技术
合集
导读
Guide
下载
签到
金币
论坛
BBS
登录
立即注册
腾讯QQ
账号
自动登录
找回密码
密码
登录
立即注册
只需一步,快速开始
好友
动态
收藏
分享
帖子
日志
记录
相册
留言板
勋章
任务
道具
设置
退出
液压圈
»
论坛
›
液压系统
›
工程机械
›
马达减压阀
负载敏感资料下载
|
液压培训资料下载
|
液压样本下载
|
AMESim资料下载
|
力士乐资料下载
|
挖掘机资料下载
|
标准资料下载
|
多路阀资料下载
返回列表
查看:
1281
|
回复:
6
[综合讨论]
马达减压阀
[复制链接]
回眸一笑
回眸一笑
当前离线
积分
145
注册时间
2020-5-5
最后登录
1970-1-1
IP卡
狗仔卡
发表于 2024-3-31 20:38:46
来自手机
|
显示全部楼层
|
阅读模式
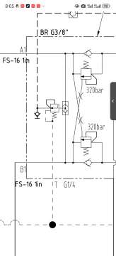
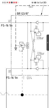
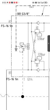
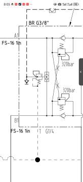
下面此图是
马达
。此处标记是定差减压阀吗,当减压阀出口是静态的时候减压阀会打开吗?
马达减压阀
回复
使用道具
举报
提升卡
置顶卡
变色卡
回眸一笑
回眸一笑
当前离线
积分
145
注册时间
2020-5-5
最后登录
1970-1-1
IP卡
狗仔卡
楼主
|
发表于 2024-3-31 21:00:21
来自手机
|
显示全部楼层
应该是一个定值减压阀,现在有个事就是不太明白。当进口压力大于减压设定压力出口压力就会减压到设定值。如果说是一个静态的情况下,进口压力大于设定值减压阀是处于一个关闭的状态,还是减压前后无压差
回复
使用道具
举报
海中游
海中游
当前离线
积分
1090
注册时间
2011-8-11
最后登录
1970-1-1
IP卡
狗仔卡
打卡等级:以坛为家
打卡总天数:729
打卡总奖励:1156
发表于 2024-4-1 12:41:06
|
显示全部楼层
图片信息不全面,不确定呀
回复
使用道具
举报
a343740703
a343740703
当前离线
积分
394
注册时间
2013-5-24
最后登录
1970-1-1
IP卡
狗仔卡
打卡等级:常驻居民
打卡总天数:332
打卡总奖励:421
发表于 2024-4-2 16:17:24
|
显示全部楼层
会打开,这种减压阀都是常开的。
回复
使用道具
举报
287256492
287256492
当前离线
积分
412
注册时间
2019-9-25
最后登录
1970-1-1
IP卡
狗仔卡
打卡等级:以坛为家
打卡总天数:814
打卡总奖励:1601
发表于 2024-4-5 11:51:20
|
显示全部楼层
如果减压阀后是理想的封闭容腔,当阀后容腔达到减压阀设定压力值时,减压阀阀芯平衡位置对应的阀口应该处于关闭状态
回复
使用道具
举报
287256492
287256492
当前离线
积分
412
注册时间
2019-9-25
最后登录
1970-1-1
IP卡
狗仔卡
打卡等级:以坛为家
打卡总天数:814
打卡总奖励:1601
发表于 2024-4-5 11:54:32
|
显示全部楼层
感觉像是减压溢流阀
回复
使用道具
举报
四筒
四筒
当前离线
积分
702
注册时间
2012-9-9
最后登录
1970-1-1
IP卡
狗仔卡
打卡等级:以坛为家
打卡总天数:859
打卡总奖励:1105
发表于 2024-4-9 12:05:21
来自手机
|
显示全部楼层
开机械刹车的吧,换向阀换向,就要保证刹车打开
回复
使用道具
举报
返回列表
高级模式
B
Color
Image
Link
Quote
Code
Smilies
您需要登录后才可以回帖
登录
|
立即注册
本版积分规则
发表回复
回帖后跳转到最后一页
浏览过的版块
插装阀
AMESim
公告区
快速回复
返回顶部
返回列表